EasyManua.ls Logo

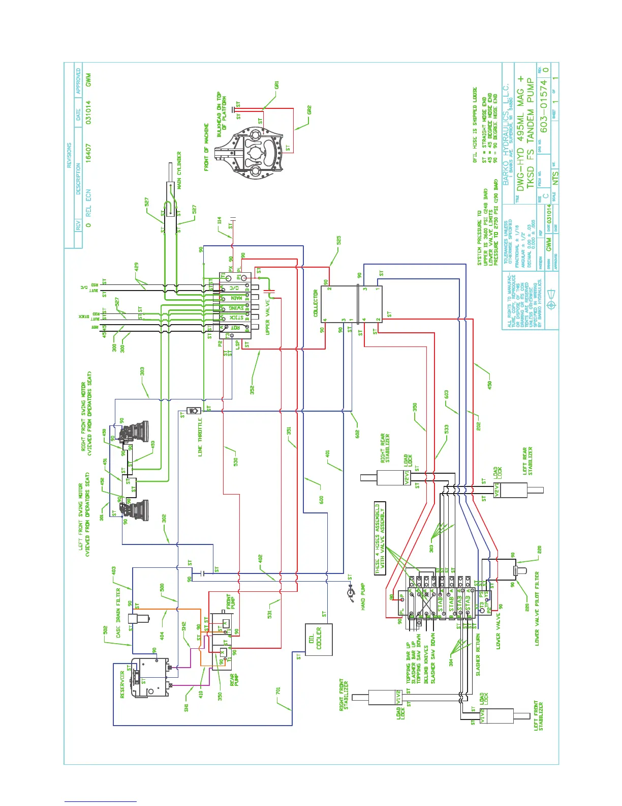
Barko Hydraulics 495B SD - Hydraulic Drawing Tandem

Default Icon
101 pages
Print Icon
To Next Page IconTo Next Page
To Next Page IconTo Next Page
To Previous Page IconTo Previous Page
To Previous Page IconTo Previous Page
Loading...
Operation and Maintenance Manual
495B ML TM (S)
33
Last Updated - 08/31/2016
HYDRAULIC DRAWING TANDEM
603-01574

Related product manuals