EasyManua.ls Logo

Barko Hydraulics 495B SD - Hydraulic Servo Tandem

Default Icon
101 pages
Print Icon
To Next Page IconTo Next Page
To Next Page IconTo Next Page
To Previous Page IconTo Previous Page
To Previous Page IconTo Previous Page
Loading...
Operation and Maintenance ManualLast Updated - 08/31/2016
495B ML TM (S)
34
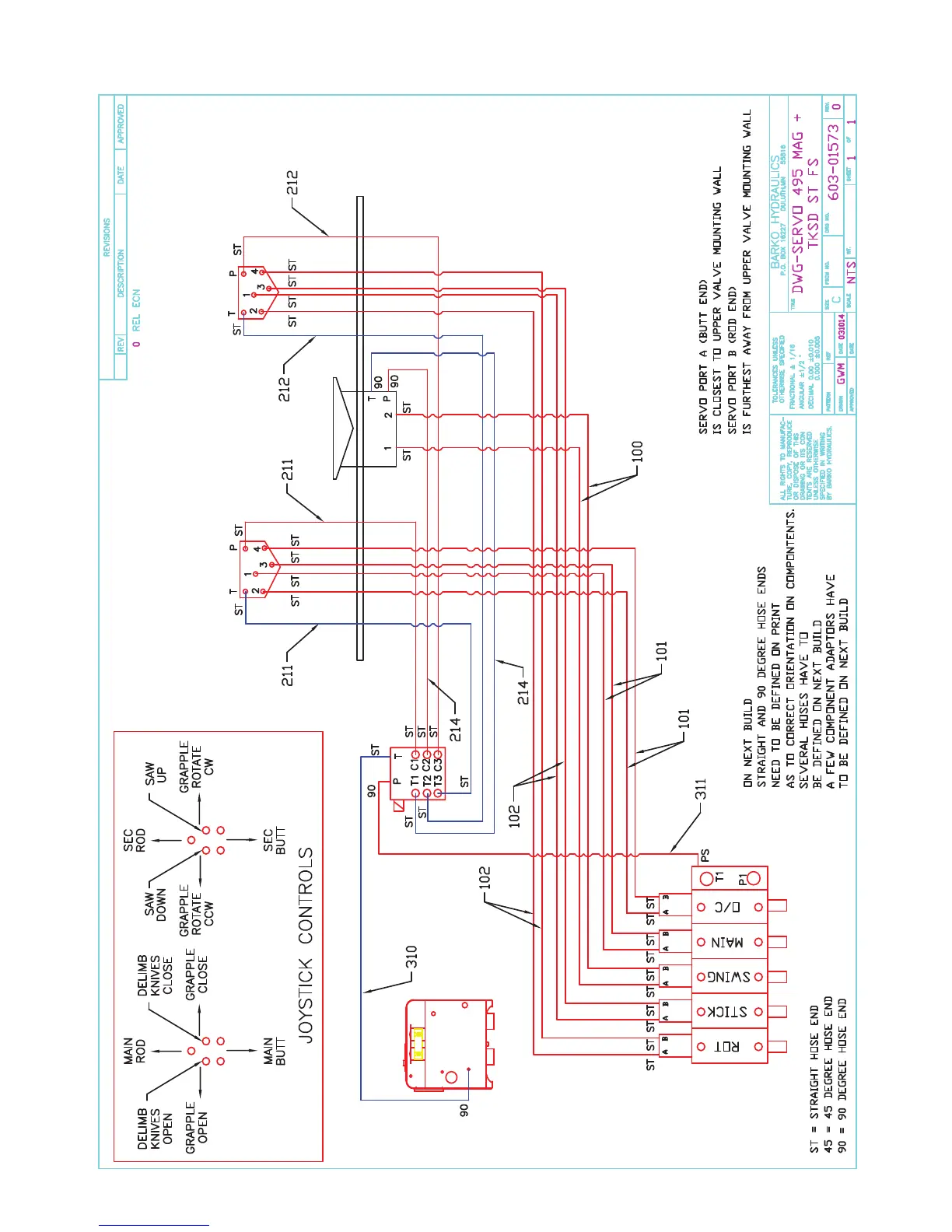
HYDRAULIC SERVO TANDEM
603-01573
HYDRAULIC SCHEMATIC TANDEM

Related product manuals