EasyManua.ls Logo

Barnes SE411 - Page 5

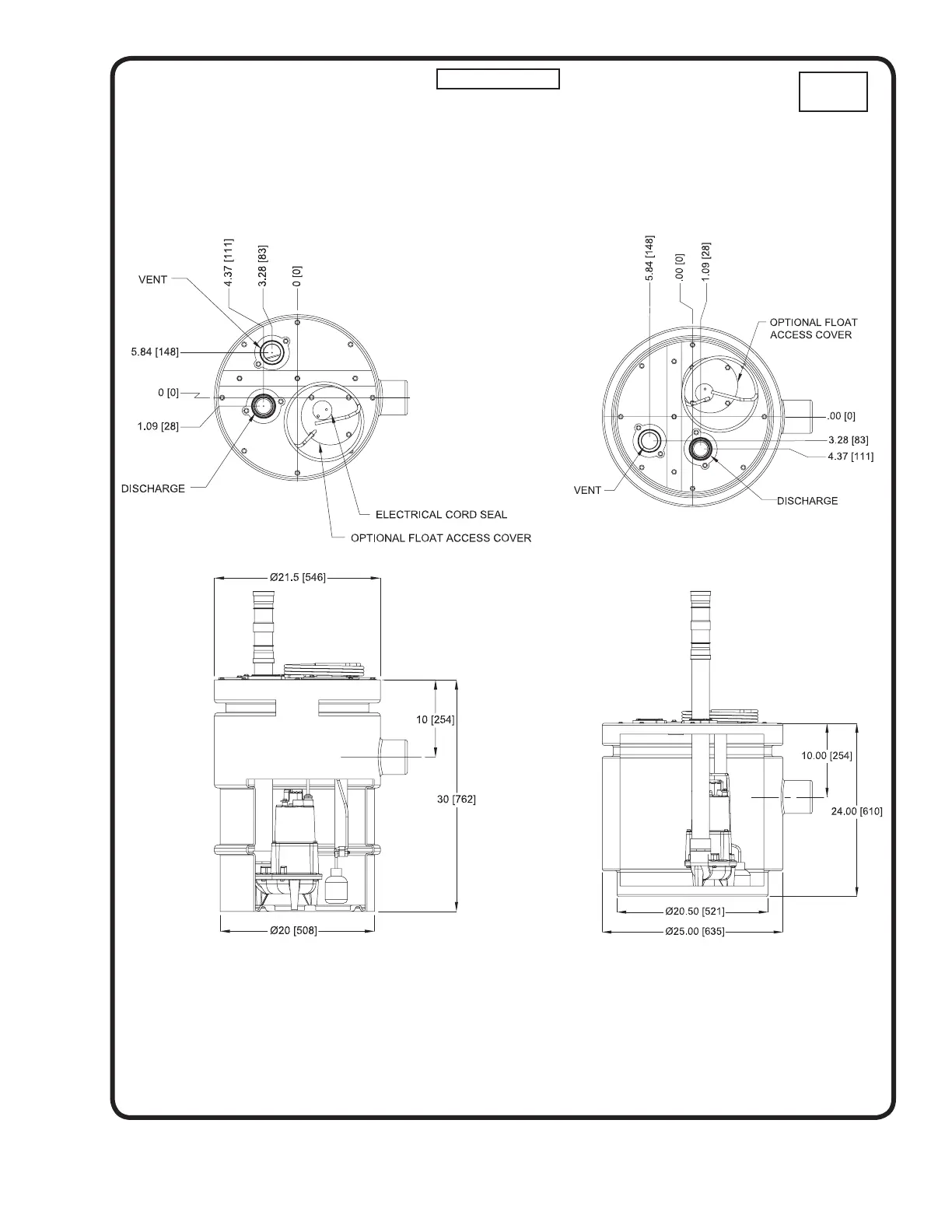
Barnes SE411
18 pages
Print Icon
To Next Page IconTo Next Page
To Next Page IconTo Next Page
To Previous Page IconTo Previous Page
To Previous Page IconTo Previous Page
Loading...
5
inches
(mm)
Basins

Related product manuals