EasyManua.ls Logo

Barreto 20RTK - Emergency Towing

Barreto 20RTK
20 pages
Print Icon
To Next Page IconTo Next Page
To Next Page IconTo Next Page
To Previous Page IconTo Previous Page
To Previous Page IconTo Previous Page
Loading...
20RTK – 23RTK OPERATOR’S MANUAL 8/31/18 Page 13 of 20
EMERGENCY TOWING
In case of engine failure there is a provision that allows the trencher to be towed a short distance.
The trencher tracks are driven by a set of tandem pumps. The front pump drives right track, and the
other pump drives left track. The drive pump by-pass valves may be opened to allow the machine to
be towed.
Set the parking brake if on a slope to prevent rolling. It is located behind the left hand track
motor. Move the handle down to engage the brake.
WARNING: Navigating on any slope increases the danger of the trencher losing traction or
rolling over, especially if the surface is wet. Stay out of the way to avoid personal injury.
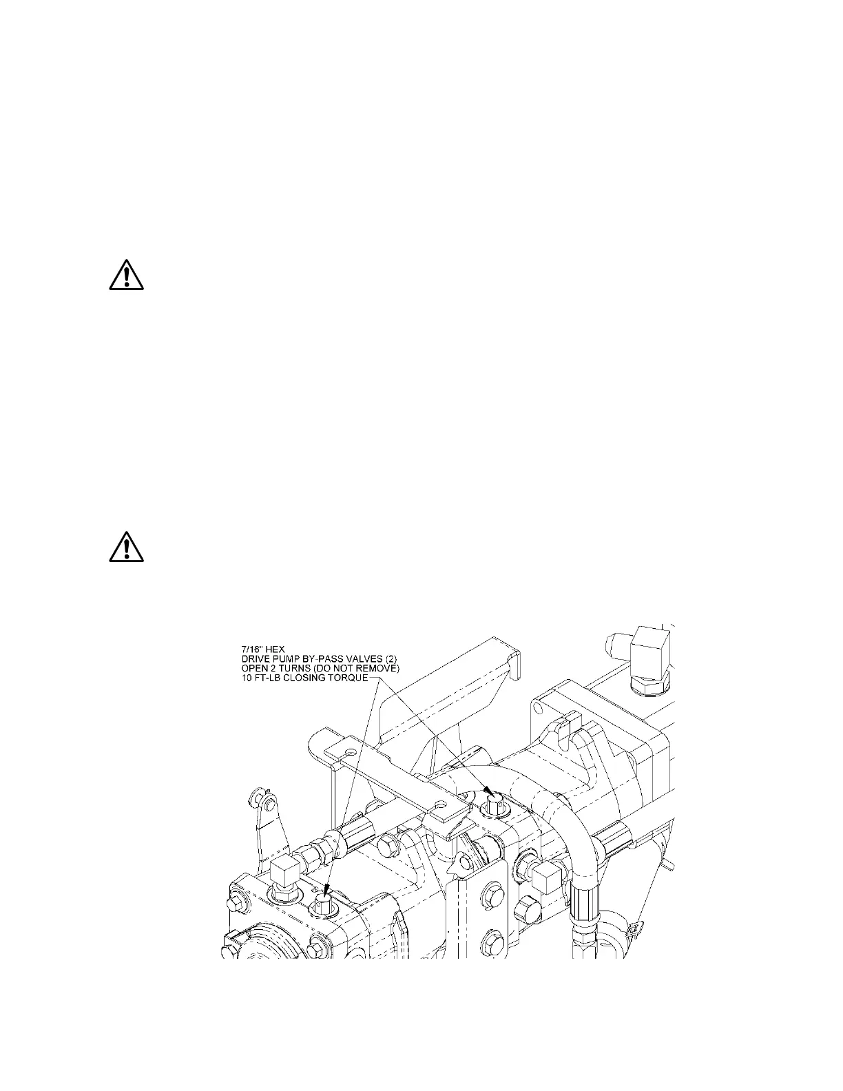
Loosen (do not remove) the by-pass plugs two complete turns counterclockwise. See diagram for
location of plugs.
Disengage the parking brake by moving the handle up.
The machine may be towed short distance (1/8 mile or 1/4km) at slow speed, 2 mph or 200 feet
per minute maximum (3kph or 60m per min).
After towing, close both by-pass valves by closing the plugs with 10 foot-pounds torque.
Use a trailer or truck for road transport.
If you need to raise the dig chain boom without power, do the following:
1. Loosen the hose at the back port of the boom cylinder and raise the boom end with a hoist or
forklift if available.
2. If it still will not lift, then also loosen the hose at the front port of the boom cylinder.
WARNING: The boom with dig chain is heavy. Manpower alone is not recommended, but if
necessary, use a team of two strong workers to raise the boom, and a third worker to tighten
the hose(s) after the boom is up.
3. Secure the boom in the up position with a strap from the boom end to the handlebars.

Other manuals for Barreto 20RTK

Related product manuals