EasyManua.ls Logo

BAS-IP AV-01 - Connection Scheme

BAS-IP AV-01
59 pages
Print Icon
To Next Page IconTo Next Page
To Next Page IconTo Next Page
To Previous Page IconTo Previous Page
To Previous Page IconTo Previous Page
Loading...
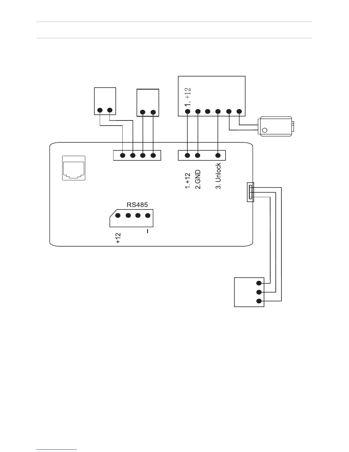
CONNECTION SCHEME
1.EXIT
2.GND
3.GND
4.DOOR
COM
RJ45
2.GND
3.NC
4.CTRL
5.LOCK
6.GND
UPS - DP/P
GND
485+
485
COM
Data 0
Data 1
GND
Wiegand 26
sensor
Yellow
Red
Black
button
Exit
button
Door
contact
LOCK
V
Attention:
1. The lock opening time is set by adjusting the resistor on uninterruptible power supply board
UPS – DP/P.
2. The type of lock: electromechanical or electromagnetic is set by the switch on the uninterruptible
power supply board UPS – DP/P.
38
V
V
1 2 3 4

Related product manuals