EasyManua.ls Logo

BAS-IP AV-01 - Connection Scheme

BAS-IP AV-01
59 pages
Print Icon
To Next Page IconTo Next Page
To Next Page IconTo Next Page
To Previous Page IconTo Previous Page
To Previous Page IconTo Previous Page
Loading...
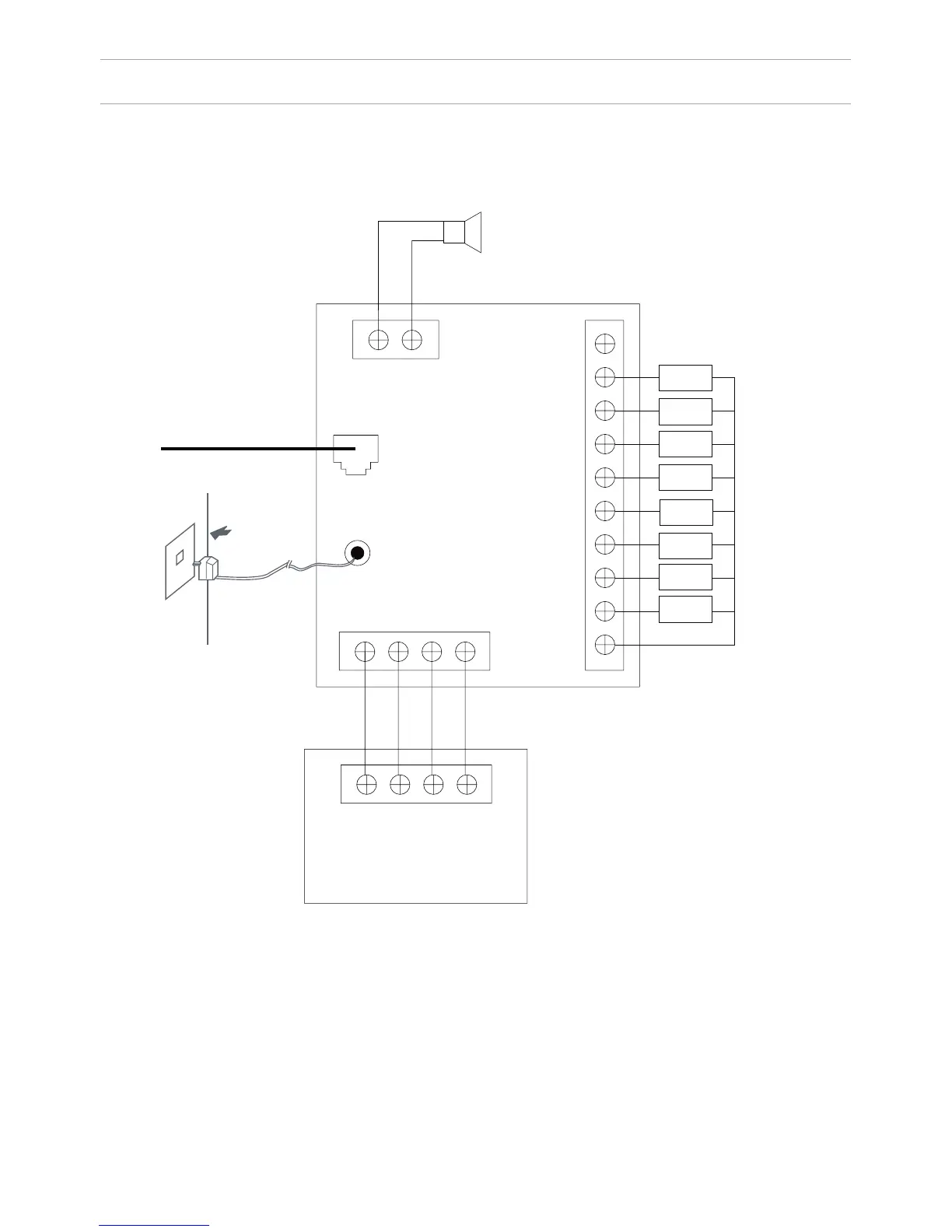
CONNECTION SCHEME
Connection of the sockets on the back of the internal monitor.
V+
NC1
NC2
NC3
NC4
NC5
NC6
NC7
NC8
GND
V1+GND
+12VGND485+485-
UTP CAT 5e
SH-61
51

Related product manuals