EasyManua.ls Logo

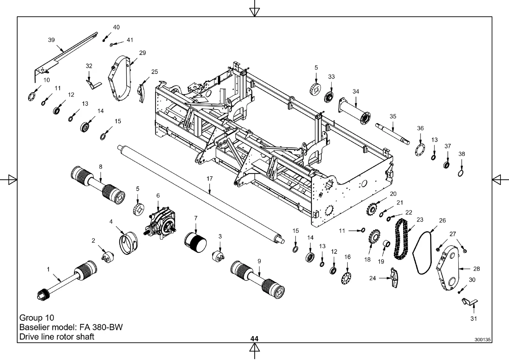
Baselier FA W Series - Group 10 Drive Line Rotor Shaft FA-BW

Default Icon
50 pages
Print Icon
To Next Page IconTo Next Page
To Next Page IconTo Next Page
To Previous Page IconTo Previous Page
To Previous Page IconTo Previous Page
Loading...
44