EasyManua.ls Logo

basic coatings Dirt Dragon - Handle Base Diagram

basic coatings Dirt Dragon
36 pages
Print Icon
To Next Page IconTo Next Page
To Next Page IconTo Next Page
To Previous Page IconTo Previous Page
To Previous Page IconTo Previous Page
Loading...
16
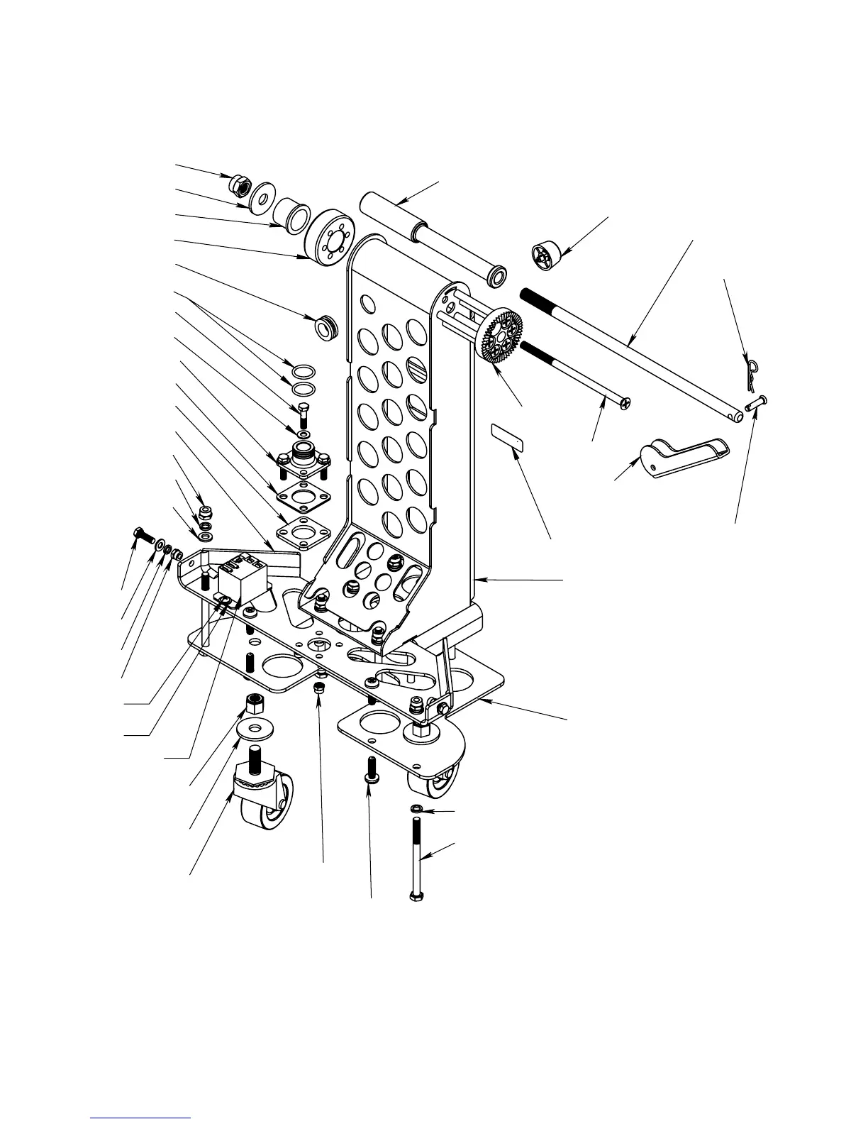
HANDLE BASE DIAGRAM
E83381
E88600
E88601
E88599
E83881
E88813
E88812
E88607
E88708
E88606
E88605
E88593
E83879
E83550
E88594
E82761
E83836
E83879
E20123
E82256
E81076
E88673
E88672
E82256
E88715
E88594
E88747
E88596
E88622
E88598
E88751
E88632
E88602
E88701
E88801
E88603
E88889
E88696
E83879
E81180
ITEM NO.
PART NUMBER
DESCRIPTION
QTY.
1
E20123
Washer, Split Lock, M5, Zinc
6
2
E81076
Nut, 3/8"-16, Nylon Lock, Grade 5, Zinc
2
3
E81180
Serial Number Decal
1
4
E82256
Nut, M5 x 7, Nylon Lock, Zinc
6
5
E82761
Washer, Flat, M6 x 12 x 1.6, Zinc
8
6
E83381
Nut, M10, Nylon Lock, Zinc
1
7
E83550
Nut, Hex, M6, Nylon Lock, Zinc
8
8
E83836
Bolt, Hex,t M5 x 16, Zinc
2
9
E83879
Washer, Flat M5 x 11 x 1, Zinc
7
10
E83881
Hex Bolt M5 x 20 Zinc
4
11
E88593
Handle Tower Pivot Shaft Hub
1
12
E88594
Washer, Split Lock, M6 Zinc
16
13
E88596-1
Handle Tower Rear
1
14
E88596-2
Handle Tower Front
1
15
E88598
Handle Adjust Gear
1
16
E88599
Handle Tower Pivot Shaft
1
17
E88600
Bushing, Flange, 20mm ID, 24mm OD, 28mm
Flange, 20mm L, Bronze
1
18
E88601
Washer, M10 x 30 x 2.5, Zinc
1
19
E88602
Handle Pivot Rod
1
20
E88603
Pin, Clevis3/16 x 0.75, Zinc
1
21
E88605
Male Coupling
1
22
E88606
O-Ring, M16 x 2.00
2
23
E88607-1
Handle Mounting Plate
1
24
E88607-2 Handle Mounting
Plate Bead 1
1
25
E88607-3 Handle Mounting
Plate Bead 2
1
26
E88622
Handle Nut Plate
1
27
E88632
Handle Adustment Cam Lock
1
28
E88672
Caster 2" OD, 3/8" - 16", 1" L Post
2
29
E88673
Washer, Fender 3/8" x 1 1/4" Zinc
2
30
E88701
Bumper
1
31
E88708
Grommet, EPDM 60 Durometer
1
32
E88715
Screw, 1/4" x 3/4", Plastite Pan Head, Zinc
6
33
E88747
Bolt, Hex, M6 x 80, Zinc
8
34
E88751
Screw,1/4"-20 x 5" Flat Head, Zinc
6
35
E88801
Cotter Pin, 1/16" Hairpin
1
36
E88812
Male Coupling Shim
1
37
E88813
Male Coupling Shim 1/8"
1
38
E88889-00 Relay 120
VAC 1.5 HP
1
39
E88696
Screw, #8-32 x 0.375 Thread
Forming, Pan Head, Phillips, Zinc
1