EasyManua.ls Logo

BE HK070F - Page 42

Default Icon
60 pages
Print Icon
To Next Page IconTo Next Page
To Next Page IconTo Next Page
To Previous Page IconTo Previous Page
To Previous Page IconTo Previous Page
Loading...
42
avant utilisation
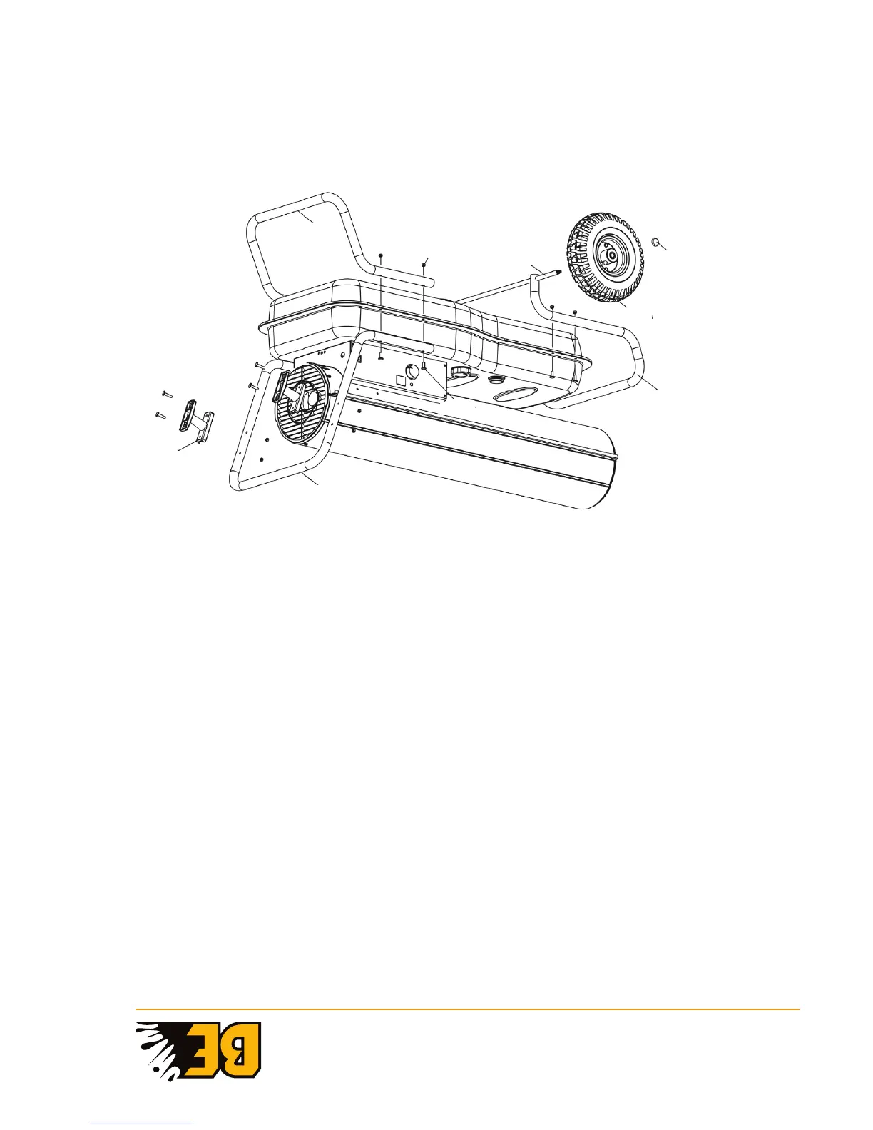
Poignée avant
Vis
Écrou
Essieu
Boulons d’essieu
Pied
Roue
Poignée Supérieure
Colliers cordon
DéBAllAGE HK215fW
ASSEMBlAGE HK215fW
1. Retirez l’appareil de chauffage du carton.
2. Retirez tous les matériaux de protection qui peuvent avoir été 
appliqués à l’appareil de chauffage pour l’expédition.
3. Vérifiez si l’appareil de chauffage est endommagé pendant le transport. 
Si un dommage est constaté, contactez immédiatement le fabricant.
REMARQUE: Conservez le carton et les matériaux d’emballage pour le 
stockage futur.
1. Insérez l’essieu dans le trou de la poignée avant, insérez les roues 
dans l’essieu et mettez sur le capuchon d’essieu.
2. Mettez la poignée avant dans les trous du réservoir de carburant, 
insérez les vis dans les trous et serrez fermement les vis avec un 
tournevis.
3. Fixez les enveloppes de cordon à la poignée, puis mettez la poignée 
et le pied dans les trous du réservoir de carburant, insérez les vis dans 
les trous et serrez les vis avec un tournevis. 
19
AVANT UTILISATION
DÉBALLAGE HK215FW
ASSEMBLAGE HK215FW
1. Retirez l’appareil de chauffage du carton.
2. Retirez tous les matériaux de protection qui peuvent avoir été
appliqués à l’appareil de chauffage pour l’expédition.
3. Vérifiez si l’appareil de chauffage est endommagé pendant le transport.
Si un dommage est constaté, contactez immédiatement le fabricant.
REMARQUE: Conservez le carton et les matériaux d’emballage pour le
stockage futur.
1. Inserez l’essieu dans le trou de la poignee avant, inserez les roues
dans l’essieu et mettez sur le capuchon d’essieu.
2. Mettez la poignee avant dans les trous du reservoir de carburant,
inserez les vis dans les trous et serrez fermement les vis avec un
tournevis.
3. Fixez les enveloppes de cordon a la poignee, puis mettez la poignee
et le pied dans les trous du reservoir de carburant, inserez les vis dans
les trous et serrez les vis avec un tournevis.

Other manuals for BE HK070F

Related product manuals