EasyManua.ls Logo

Becker Audio 30 Export 3301 - AF Section Diagrams

Becker Audio 30 Export 3301
92 pages
Print Icon
To Next Page IconTo Next Page
To Next Page IconTo Next Page
To Previous Page IconTo Previous Page
To Previous Page IconTo Previous Page
Loading...
CSD - Version: 26/99
BE
9
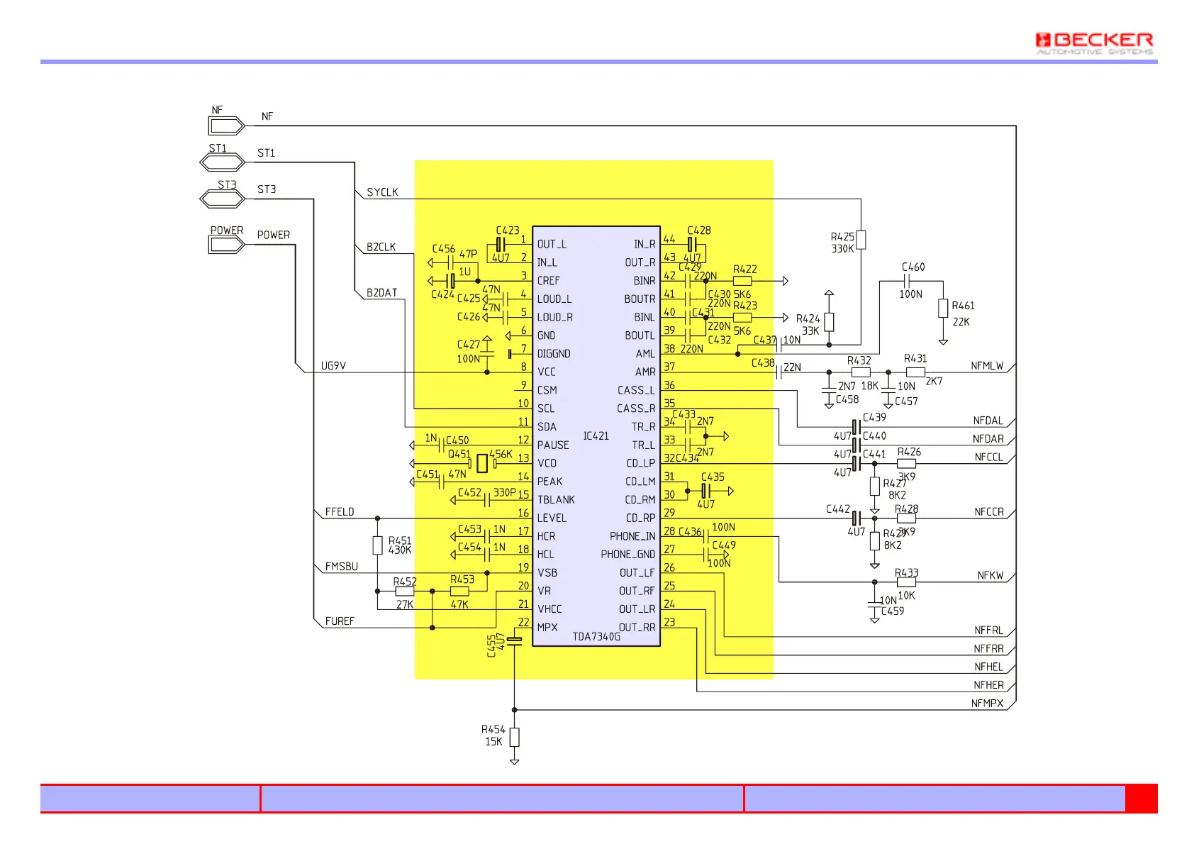
Circuit diagram - Mercedes Benz MY98
AF-section Audio controller and FM-Stereo decoder (Board 4010)
9
3301Audio 30 DIN Export
Audio controller
and
FM-Stereo decoder

Related product manuals