EasyManua.ls Logo

Becker Audio 30 Export 3301 - Front Panel Circuits

Becker Audio 30 Export 3301
92 pages
Print Icon
To Next Page IconTo Next Page
To Next Page IconTo Next Page
To Previous Page IconTo Previous Page
To Previous Page IconTo Previous Page
Loading...
CSD - Version: 26/99
BE
16
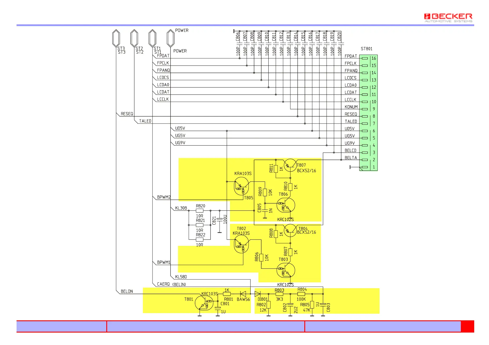
Circuit diagram - Mercedes Benz MY98
Illumination
-on-
Illumination
control
Display
Illumination
control
Keyboard
Illumination
-Brightness-
Front Front-Interface (Board 4010)
16
3301Audio 30 DIN Export

Related product manuals