EasyManua.ls Logo

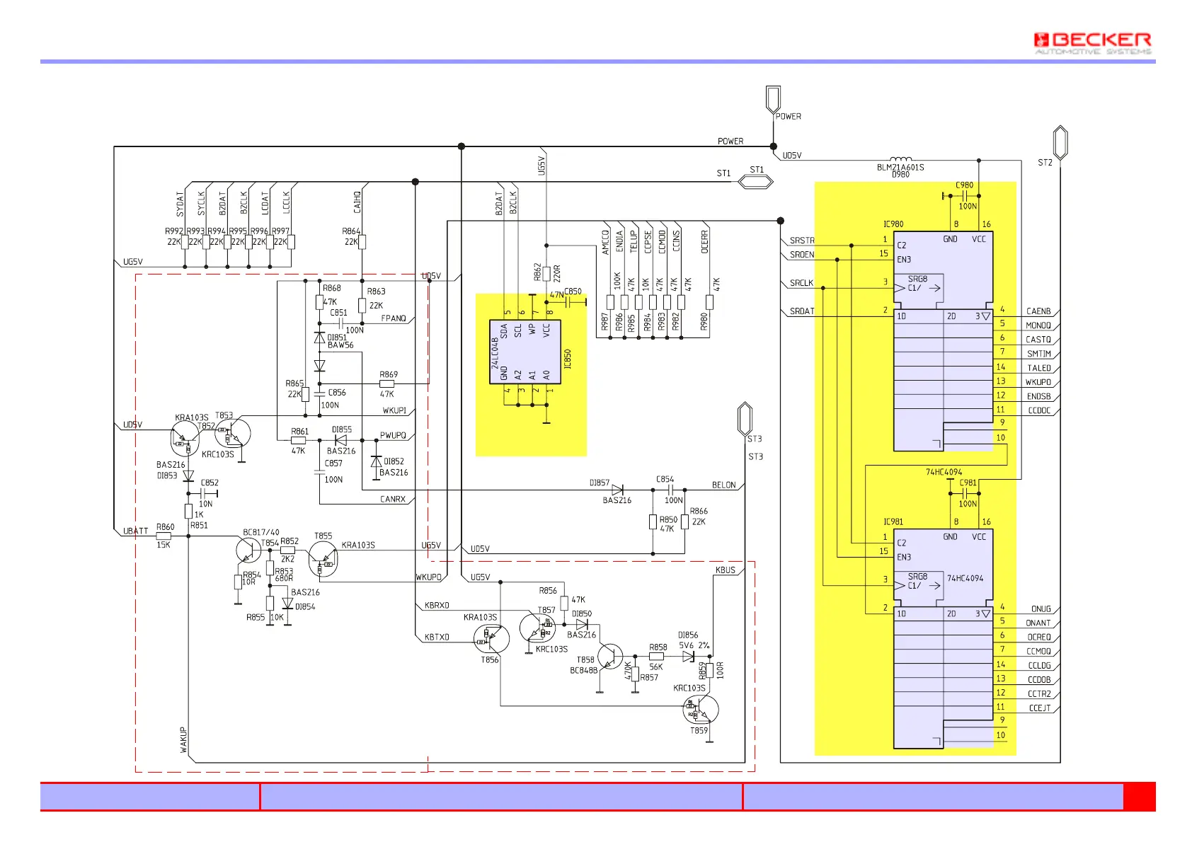
Becker Audio 30 Export 3301 - Shiftregister, EEPROM (Board 4010)

Becker Audio 30 Export 3301
92 pages
Print Icon
To Next Page IconTo Next Page
To Next Page IconTo Next Page
To Previous Page IconTo Previous Page
To Previous Page IconTo Previous Page
Loading...
CSD - Version: 26/99
BE
14
Curcuit diagram - Mercedes Benz MY98
Steuerung Shiftregister, EEPROM (Board 4010) 3301Audio 30 DIN Export
EEPROM
Shiftregister
Interface Wake up-Leitung, K-Leitung BUS -Seite 12-

Related product manuals