EasyManua.ls Logo

Becker Audio 30 Export 3301 - Page 66

Becker Audio 30 Export 3301
92 pages
Print Icon
To Next Page IconTo Next Page
To Next Page IconTo Next Page
To Previous Page IconTo Previous Page
To Previous Page IconTo Previous Page
Loading...
CSD - Version: 30/00
BE
12
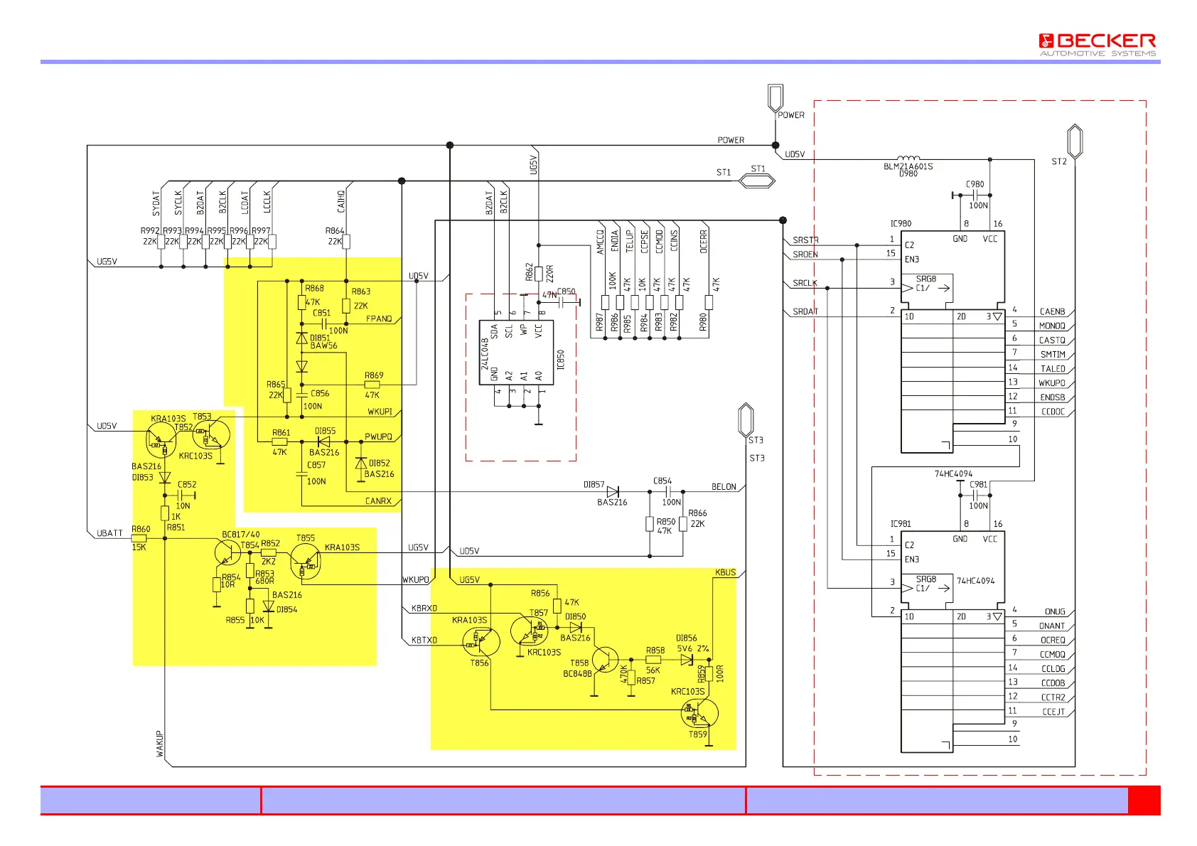
Circuit diagram - Mercedes Benz MY98
Interface Wake up-Line, K-Line(Board 4010) 3301Audio 30 DIN Export
Wake up-line
EEPROM
K-Line-BUS
Control Shiftregister -Page 14-
Control„ON“

Related product manuals