EasyManua.ls Logo

Beckett AF - Installing the Oil Tank and Supply System; Oil Leak and Fire Hazard Warning; Fuel Line Valves and Filter; Fuel Supply Level Considerations

Beckett AF
24 pages
Print Icon
To Next Page IconTo Next Page
To Next Page IconTo Next Page
To Previous Page IconTo Previous Page
To Previous Page IconTo Previous Page
Loading...
12
Installing the Oil Tank and Supply System
Fuel supply level with or above burner
Figure 7. – Mounting Burner in Appliance
SK8745
Tilt down 2°
If space between burner
air tube and opening
exceeds 1/2 inch, pack
burner opening with
ceramic fiber refractory.
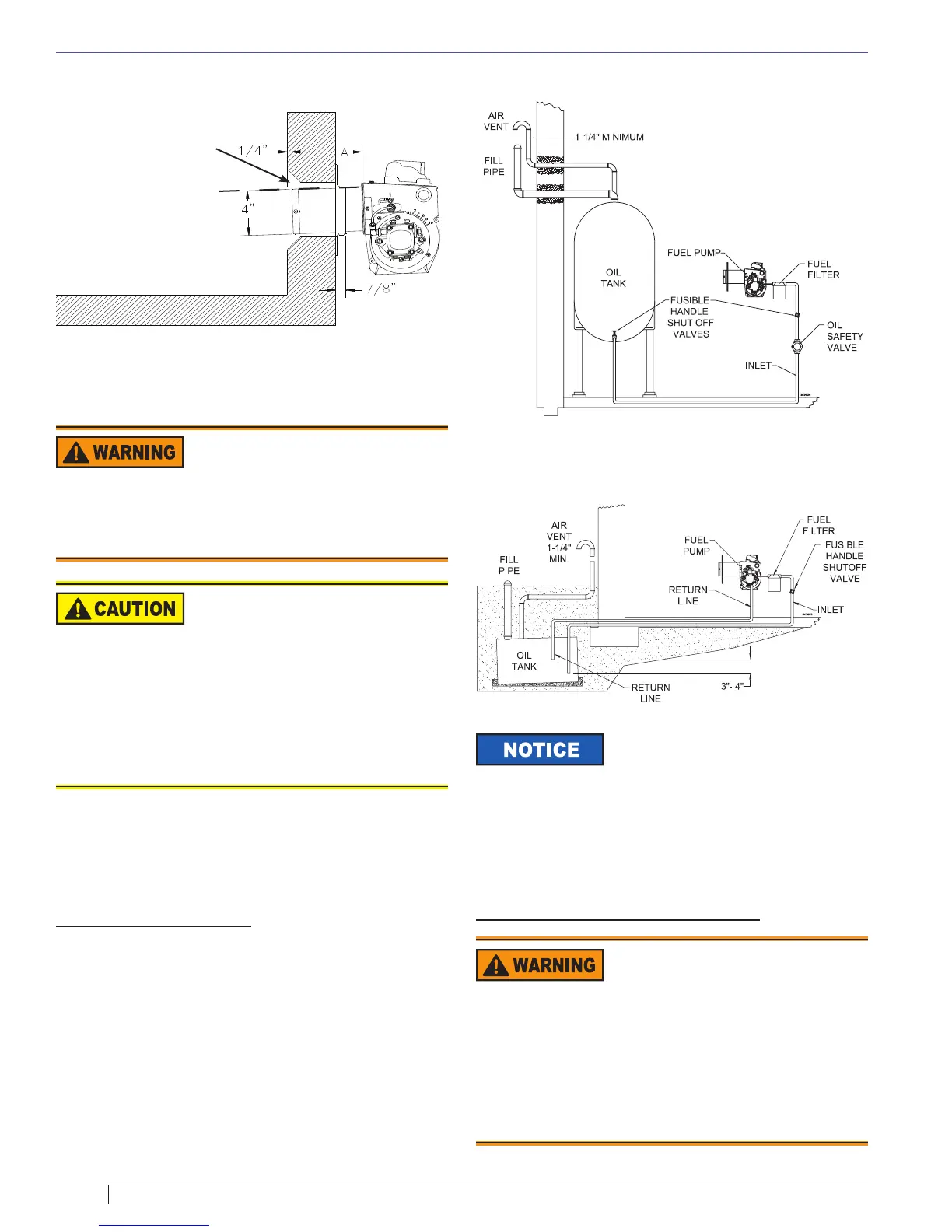
Figure 8. – Inside Tank Gravity Feed System
Figure 9. – Outside Buried Tank-Lift System
Note: to determine the proper fuel line size, refer to the
fuel pump manufacturer’s instructions provided with
the burner. Refer to Figure 8 or Figure 9 for typical
installation layouts.
Fuel Line Valves and Filter
Install two high quality, oil duty rated, fusible handle
design shutoff valves in accessible locations on the oil
supply line. Locate one close to the tank and the other
close to the burner, upstream of the lter for service
access.
Install a generous capacity lter inside the building
between the fuel tank shutoff valve and the burner,
locating both the lter and the valve close to the burner
for ease of servicing. Filter should be rated for 50
microns or less.
Section: Mount Burner on Appliance
Oil Leak and Fire Hazard
Install the oil tank following applicable standards
in the U.S. by referring to the latest edition of NFPA
31 or CSA-B139 & CSA-B140 in Canada, and all
authorities having jurisdiction.
Never use Te on tape on fuel oil ttings.
Tape fragments can lodge in fuel line components
and fuel unit, damaging the equipment and
preventing proper operation.
Use oil-resistant pipe sealant compounds.
y
y
y
Damage to the pump could cause impaired burner
operation, oil leakage and appliance soot-up.
Do Not Use Te on Tape
To further protect the fuel supply
system and reduce nozzle ori ce
plugging with ring rates below 0.75 gph, a dual ltration
system can be installed. This typically consists of a 50
micron primary lter, located near the fuel tank and a
secondary lter rated for at least 10 microns located
near the burner.
The burner is shipped without the by-pass plug
installed.
Install the by-pass plug in two-pipe oil supply
systems ONLY.
y
y
Failure to comply could cause Immediate pump seal
failure, pressurized oil leakage and the potential for a
re and injury hazard.
Do Not Install By-pass Plug
with 1-Pipe System

Other manuals for Beckett AF

Related product manuals