EasyManua.ls Logo

Belarus 3522.5 - Page 287

Belarus 3522.5
340 pages
Print Icon
To Next Page IconTo Next Page
To Next Page IconTo Next Page
To Previous Page IconTo Previous Page
To Previous Page IconTo Previous Page
Loading...
3522.5-0000010 OM
288
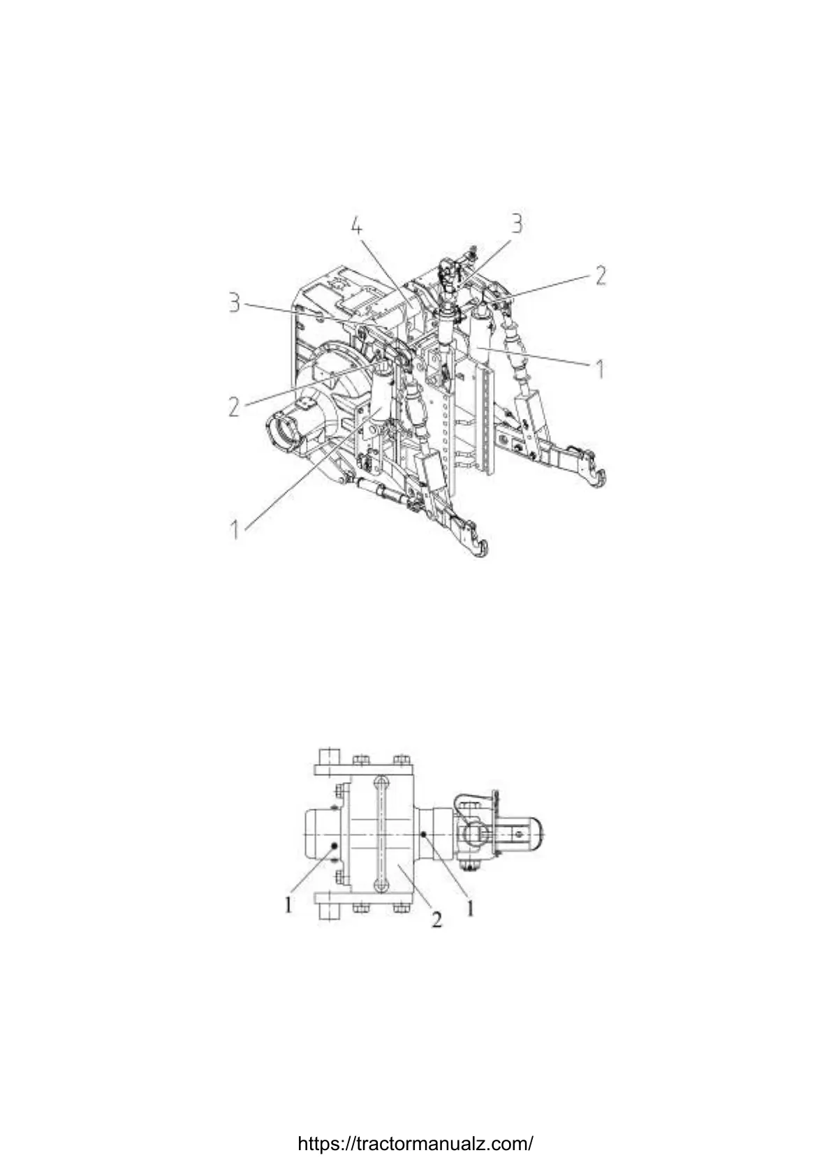
6.4.4.7 Task 42. Oiling of the RLL turning shaft bushings
To oil the RLL turning shaft bushings perform the following actions:
- clean lubricating boxes 3, mounted on RLL supporting bracket 4, from accumu-
lated dirt and consolidated lubricant;
- squirt lubricating boxes 3 with a lubricant until the lubricant appears from the
holes.
1 – cylinder; 2, 3 – lubricating boxes; 4 – RLL supporting bracket.
Figure 6.4.32 – Oiling of RLL turning shaft bushings and RLL cylinder pins
6.4.4.8 Task 43. Oiling of towing gear (in case it is mounted on order)
To oil towing gear (a hook with shock absorber), perform the following actions:
- clean two lubricating boxes 1 (Figure 6.4.33), mounted on towing gear, from ac-
cumulated dirt and consolidated lubricant;
- squirt lubricating boxes 1 with a lubricant.
1 – lubricating box; 2 – towing gear.
Figure 6.4.33 – Oiling of towing gear
6.4.4.9 Task 44. Oiling of the RLL crossbeam yokes
To oil RLL crossbeam yokes perform the following actions:
- clean lubricating boxes 2 (Figure 6.4.34), located on the crossbeams 1, from ac-
cumulated dirt and consolidated lubricant;
- squirt lubricating boxes 2 with a lubricant until the lubrication appears from the
holes.
https://tractormanualz.com/

Table of Contents

Related product manuals