EasyManua.ls Logo

Belling 900Ei - Page 66

Belling 900Ei
72 pages
Print Icon
To Next Page IconTo Next Page
To Next Page IconTo Next Page
To Previous Page IconTo Previous Page
To Previous Page IconTo Previous Page
Loading...
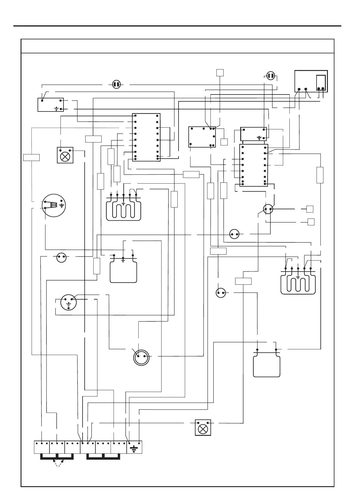
USING YOUR APPLIANCE
1
2
3
4
5
6
P1
P2
P3
P4
P5
P6
7
TOP OVEN
SWITCH
1
2
THERMOSTAT
Wiring colour code: Bk-Black, Bn-Brown, Bu-Blue, Gn-Green, Or-Orange, R-Red, W-White, Y-Yellow, V-Violet, Gy -Grey
LH FRONT
THERMAL
SWITCH
LH
COOLING
FAN
LH TOP REAR
THERMAL
CUTOUT
LEFT
HAND
OVEN LAMP
Bu
Bu
Gn
LH REAR MAIN
THERMAL CUTOUT
Bk
LH STAT.
NEON
Bk
PROGRAMMER
N
L
LH TOP
THERMAL
CUTOUT
LH OVEN
FAN
ELEMENT
LH OVEN
STIR FAN
P7
TOP STAT.
NEON
Bk
TOP OVEN
GRILL ELEMENT
TOP OVEN
BASE
ELEMENT
Bk
Bk
Or
Bk
V
1
2
3
4
5
6
P1
P2
P3
P4
P5
P6
7
MULTIFUNCTION
SELECTOR
SWITCH
P7
1
2
MAIN T-STAT
8
P8
W
Y
Or
P1
2
P2
S2
S1
4
GRILL REG
(EGO)
W
V
MAIN OVEN
BASE
ELEMENT
Gn
Gn
Bk
Bk
Bk
MAIN OVEN
GRILL ELEMENT
Bk
Or
Bk
Bk
A
B
C
Y
Y
Y
Y
Y
Or
Or
Or
Or
Or
Or
Y
Or
Bk
Bk
W
W
R
R
R
R
R
R
Gn
Gn
Gn
Gn
Gn
Bk
Bk
Bk
Bk
Bn
Bn
Bn
Y
Gy
Gy
Bn
V
V
Bk
Bk
Connector
MO-Pin 1
Connector
MO-Pin 2
Connector
MO-Pin 3
Connector
MO-Pin 4
Connector
MO-Pin 5
Connector
MO-Pin 6
Connector
MO-Pin 7
Connector
TO-Pin 1
Connector
TO-Pin 2
Connector
TO-Pin 3
Connector
TO-Pin 4
Connector
TO-Pin 5
Connector
TO-Pin 6
Bk
W
V
Bn
Bn
Or
Bn
WIRING DIAGRAM- LH OVEN PAGE 1/3
Bk
Or
W
W
R
Bk
Bk
D
Bk
Bk
INLET
TERMINAL
BLOCK
L1
L2 L3 4(N)
5(N)
Remove These Two Links for Multi-Phase Installations !
6(N)
083753000
30.08.2018
BELLING RICHMOND/COOKCENTRE 1100Ei- AU
CENTRE
COOLING
FAN
Y
Bu
Bu
Bu
Bk

Related product manuals