EasyManua.ls Logo

Belling FSG 60TC - Page 36

Belling FSG 60TC
44 pages
Print Icon
To Next Page IconTo Next Page
To Next Page IconTo Next Page
To Previous Page IconTo Previous Page
To Previous Page IconTo Previous Page
Loading...
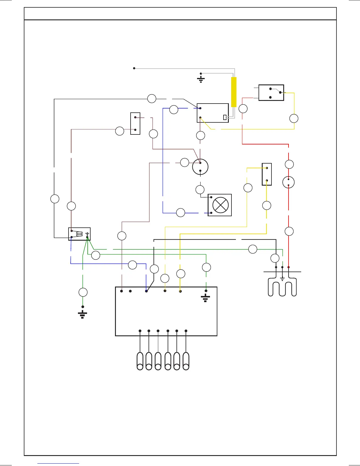
Wiring colour code: Bk - Black, Bn - Brown, Bu - Blue, Gn - Green, Or - Orange, R - Red, W - White, Y - Yellow.
Belling FSG 60DOP - AU
ISSUE A
MAIN
OVEN
LAMP
SW
IGNITION ELECTRODES
N
IGNITION
GENERATOR
LIGHT SWITCH
N
L
Bu
Bu
Bu
COOLING
FAN
F60C
THERMAL
SWITCH
IGNITION
SWITCH
PROGRAMMER
W
467
Bu
84
SW
L
Gn
Gn
Gn
64
125
503
106
106
Bk
Bk
106
GRILL ELEMENT
GRILL T/OVEN
MICROSWITCH
C
NC
NO
Bn
Bn
483
Y
Bu
463
Gn
EARTH
PLATE
POINT
05
L120c
THERMAL
CUTOUT
616
579
W
W
579
53
R
84
58
Bn
Bn
58
503
Bn
616
616
616
Y
Y Y
Y
125
64
64
EARTH
POINT
INNER
FASCIA
MAIN OVEN
THERMOSTAT
THERMOCOUPLE
INTERUPTER
CONNECTION
POINT
08-3008800
L
05
R
R
08 27489 00
01.2010

Related product manuals