EasyManua.ls Logo

Benchmark BG4500i - Diagramme du Câblage

Benchmark BG4500i
110 pages
Print Icon
To Next Page IconTo Next Page
To Next Page IconTo Next Page
To Previous Page IconTo Previous Page
To Previous Page IconTo Previous Page
Loading...
45
45
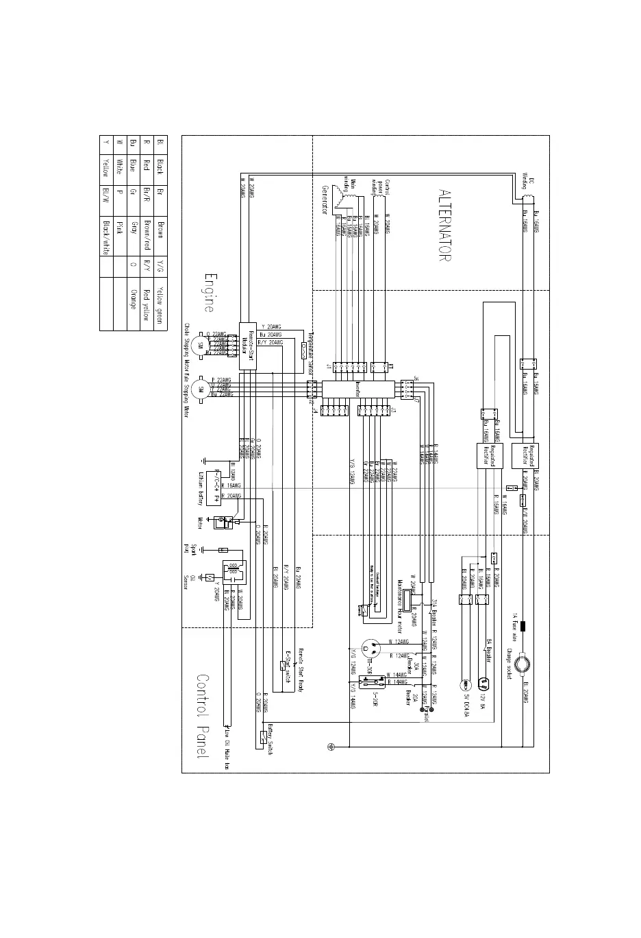
11. DIAGRAMME DU CÂBLAGE
Control Panel
CQ
Grounding System (AC):Neutral Floating
θ
1
2
3
4
5
6
1 2
1 2
1
2
1 2
3 4
1
2
3
4
5
6
4
5
3
2
1
J5
θ
θ
θ
BG4500i

Table of Contents

Related product manuals