EasyManua.ls Logo

BendPak LR-10000 - Wiring Diagrams

Default Icon
44 pages
Print Icon
To Next Page IconTo Next Page
To Next Page IconTo Next Page
To Previous Page IconTo Previous Page
To Previous Page IconTo Previous Page
Loading...
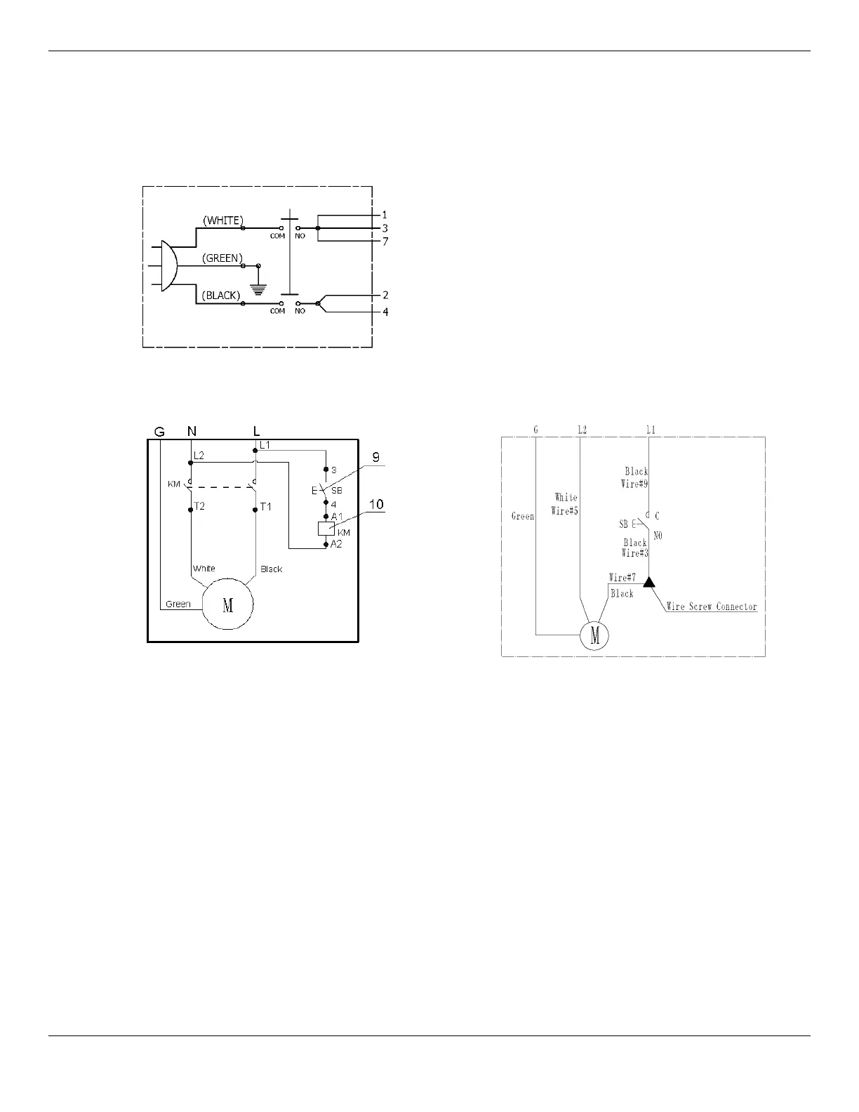
LR-10000 Low-Rise Scissor Lift 35 P/N 5900075Rev. B August 2021
Wiring Diagrams
5585094 (110 VAC)
5585021 (220 VAC)
5585010 (220 VAC)
This wiring diagram shows the United States color codes for the three wires in the Pigtail that comes
out of the electrical box on the Power Unit:
Black: Live
White: Live
Green: Ground
If you are using the unit in a European country, these Black – White Green colors correspond to:
Brown: Live
Blue: Neutral
Green/Yellow: Ground
Information about color code conventions in other regions and countries is available online.
WARNING All electrical work, such as hard-wiring the unit or attaching a Plug to the Power
Cord,
must be done by a licensed, certified Electrician
in accordance
with all applicable local electrical codes. Damage caused by improper electrical
installation may void your warranty.

Other manuals for BendPak LR-10000

Related product manuals