EasyManua.ls Logo

Bentone BG 700 - Page 3

Bentone BG 700
25 pages
Print Icon
To Next Page IconTo Next Page
To Next Page IconTo Next Page
To Previous Page IconTo Previous Page
To Previous Page IconTo Previous Page
Loading...
172 205 40 96-01
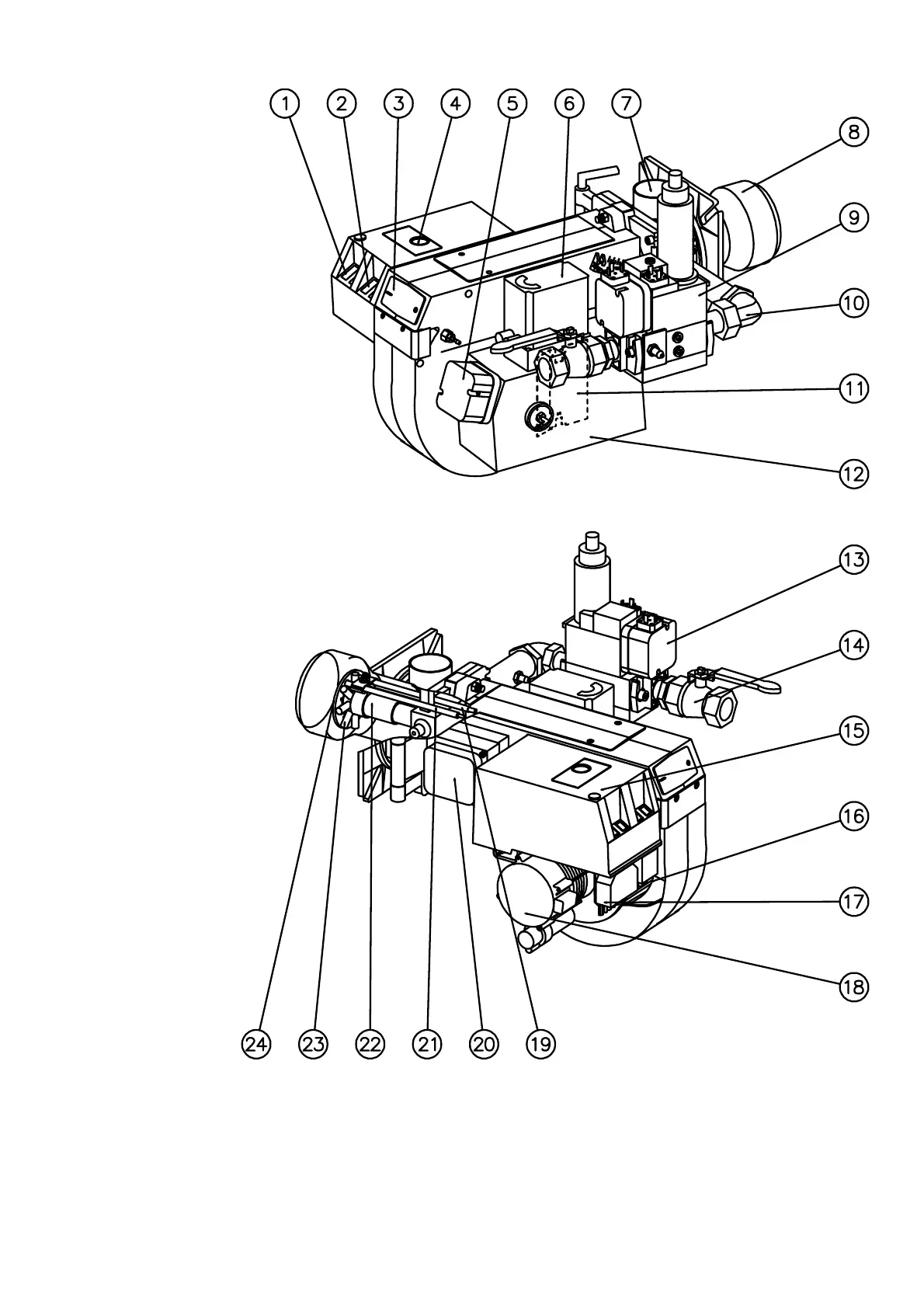
DESCRIPTION
1. Switch 0-I
2. Switch I-II
3. Cover, inspection glass
4. Reset button
5. Air pressure switch
6. Damper motor
7. Inner assembly adjustment
(not for town gas)
8. Flame cone
9. Multibloc
10. Connecting pipe
11. Air damper
12. Air intake
13. Gas pressure switch
14. Ball valve
15. Electrical panel
16. Fan wheel
17. Electrical connection
18. Motor
19. Ignition electrode
20. Transformer
21. Ionization electrode
22. Inner assembly
23. Nozzle
24. Brake plate
COMPONENTS

Other manuals for Bentone BG 700

Related product manuals