EasyManua.ls Logo

Bertos 900 Series - Page 37

Bertos 900 Series
Print Icon
To Next Page IconTo Next Page
To Next Page IconTo Next Page
To Previous Page IconTo Previous Page
To Previous Page IconTo Previous Page
Loading...
|
37
MOD.
V kW: Hz: 50/60 IPX
Qn
N°:
MOD.
V kW: Hz: 50/60 IPX
Qn
N°:
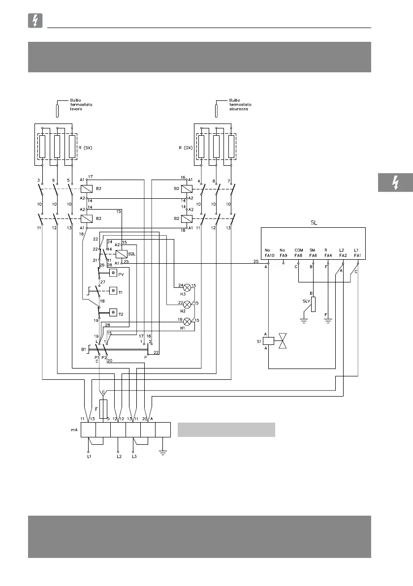
E9P10I+CAI · E9P15I+CAI · E9P10IA+CAI · E9P15IA+CAI · SE9P10I+CAI ·
SE9P15I+CAI · SE9P10IA+CAI · SE9P15IA+CAI · LXE9P15I+CAI
220-240 V3~
Legenda schemi elettrici a pag. 28/29/30 • Legend for wiring diagrams on page 28/29/30 • Légende des schémas électriques à la page 28/29/30 • Zeichenerklärung Schaltpläne auf S. 28/29/30 •
Leyenda diagramas eléctricos en la pág. 28/29/30 • Legenda elektrische schema’s op pag. 28/29/30 • Legenda esquemas eléctricos na pág. 28/29/30 • Λεζάντα ηλεκτρικών σχεδίων σελ. 28/29/30 •
Legendu k elektrickým schématům naleznete na str. 28/29/30 • Legendu k elektrickým schémam nájdete na str. 28/29/30 • A kapcsolási rajzokhoz tartozó jelmagyarázat a 28/29/30. Oldalon
található • Forklaringer til eldiagrammer på s. 28/29/30 • Symbolforklaring elektriske oversiktsskjema, side. 28/29/30 • Teckenförklaring till kopplingsscheman på sid.
28/29/30
• Opis schematów
elektrycznych na str.
28/29/30
• Legendă scheme electrice la pag.
28/29/30
• Пояснения к электрическим схемам на стр.
28/29/30
• Sayfa
28/29/30
deki elektrik şemalarının anlamları •

28/29/30

Table of Contents

Related product manuals