EasyManua.ls Logo

Binks E4-60 - Page 15

Binks E4-60
36 pages
Print Icon
To Next Page IconTo Next Page
To Next Page IconTo Next Page
To Previous Page IconTo Previous Page
To Previous Page IconTo Previous Page
Loading...
EN
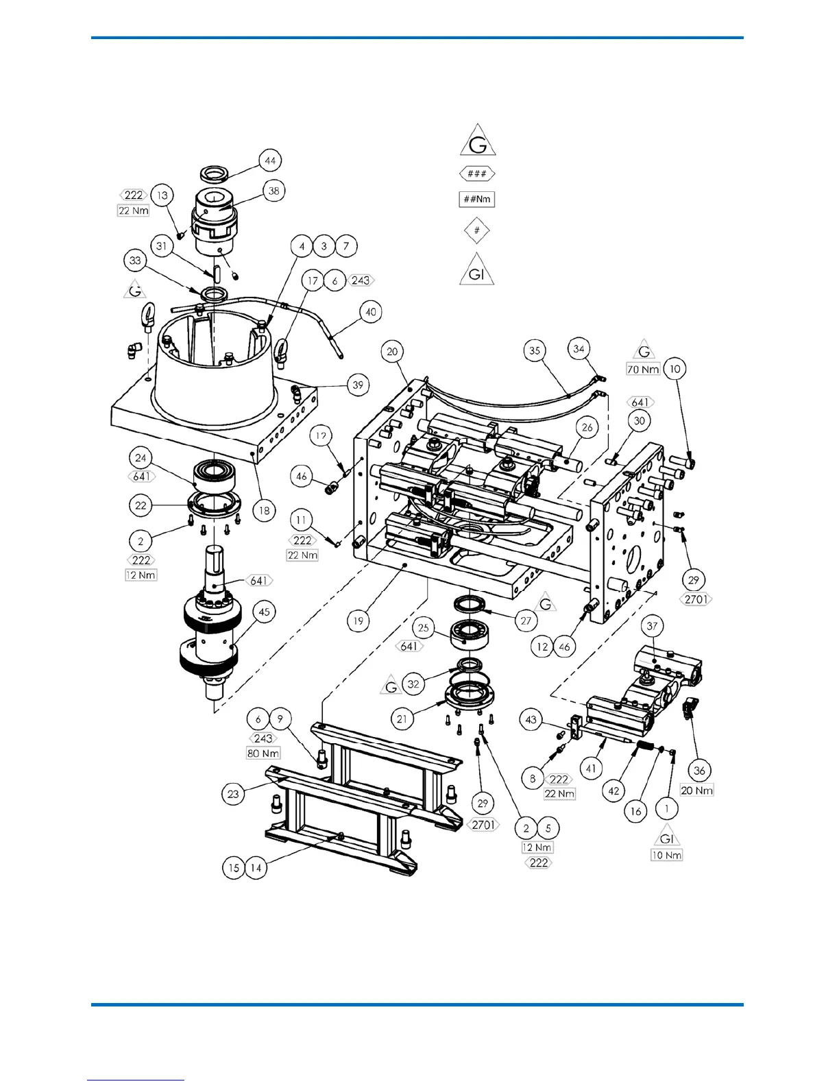
** Tighten bolts holding carriage ends once pump is fully assembled.
KEY
(Reverse for assembly)
LOCTITE
TORQUE
MAINTENANCE ORDER
GREASE INTERNAL
(AGMD-010)
GREASE
77-3229 R4.1 15/36 www.carlisleft.com

Related product manuals