EasyManua.ls Logo

Binks E4-60 - Page 19

Binks E4-60
36 pages
Print Icon
To Next Page IconTo Next Page
To Next Page IconTo Next Page
To Previous Page IconTo Previous Page
To Previous Page IconTo Previous Page
Loading...
EN
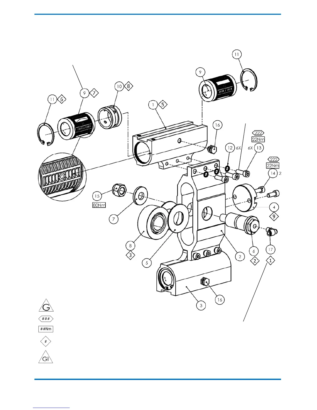
KEY
(Reverse for assembly)
LOCTITE
TORQUE
MAINTENANCE ORDER
GREASE INTERNAL
(AGMD-010)
GREASE
Bolts remain loose,
tightened when
mechanical assembly
is complete.
Tighten on final assembly to give correct
orientation for hose connection to grease
nipple.
When fitting new bearings: Ensure seals
have been removed from inside of
bearing to ensure a correct grease
supply path via centre spacer.
Orientate bearing so
black section along the
body is aligned to the
block's side.
77-3229 R4.1 19/36 www.carlisleft.com

Related product manuals