EasyManua.ls Logo

BIRO 3334SS - Motor Covers; Parts Diagram, Lower Removable Wheels

BIRO 3334SS
52 pages
Print Icon
To Next Page IconTo Next Page
To Next Page IconTo Next Page
To Previous Page IconTo Previous Page
To Previous Page IconTo Previous Page
Loading...
29
S16217L
BASE DOOR LEFT, SS
Motor Mfg. SpecicationsModel No.
Doerr 1-1/2HP, 220/440-50/60-3 open
XR72927
Doerr 2HP, 220/440-50/60-3 openR72929
U.S. Motor 2HP, 220/440-50/60-3 openG54313
Doerr 2HP, 550-60-3 open73020
U.S. Motor 2HP, 550-60-3 openG57016
Motor Mfg. SpecicationsModel No.
Doerr 1-1/2HP, 115/230-50-1 open73032
1-1/2HP, 115/230-50-1 openG57347U.S. Motor
1-1/2HP, 115/230-60-3 open72933Doerr
2HP, 115/230-60-1 TE
L3605
Baldor 2HP, 115/230-50-1 TEL3605-50
Baldor 2HP, 115/230-60-1 openL1322T
Doerr 2HP, 208/220/440-50/60-3 TE67385
Baldor 2HP, 550-60-3 TEM3558T-5
Baldor 2HP, 220/380/415-50-3 TEM3558T-50
Baldor 2HP, 200-60-3 TE
M3558T-8
Doerr 3HP, 220/440-50/60-3 TE72540
Doerr 3HP, 220/440-50/60-3 TE75425
U.S. Motor 3HP, 220/440-50/60-3 TEG57011
Baldor 3HP, 220/440-50/60-3 TEM3611
Baldor 3HP, 220/380/440-50-3 TEM3611T-50
Baldor 3HP, 200-60-3 TEM3611T-8
Doerr 5HP, 220/440-50/60-3 TE73031
5HP, 220/440-50/60-3 TEA907Doerr
Baldor
S16217LTP
BASE DOOR, LEFT TAPERED PANEL, SS
USE WITH
USE WITH
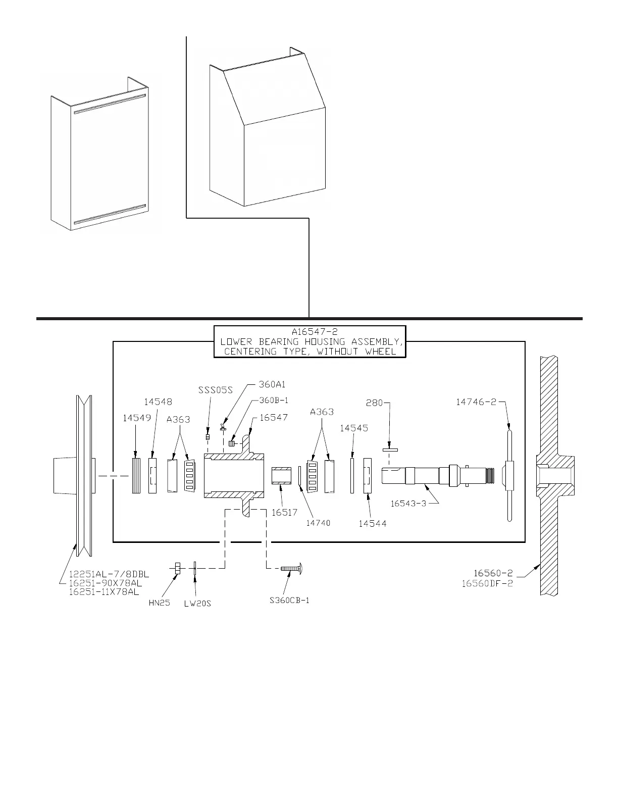
14740
14746-2
16251-90X78AL
16517
16543-3
16547
16560-2
280
360A1
16251-11X78AL
16560DF-2
360B-1
Set screw, ½-13, SS
A16547-2
A363
LW20S
S360CB-1
SSS05S
12251AL-7/8DBL
14544
14548
14549
HN25
14545
Lower bearing housing assembly,
Lower bearing cup/cone assembly
Hex nut, ⅜-16, carbon-plated
Lock washer, ⅜ heavy
Carriage bolt, ⅜-16 x 1¼
Set screw, 10-24 x ⅜
Pulley, 9 x ⅞, upper double-V, aluminum
Grease seal
Retaining ring, internal
Grease seal
Lower bearing housing cap
Retaining ring - external
T-handle lock, removable lower wheel
Pulley, 11.4 x ⅞ aluminum
Pulley, 9 x ⅞ aluminum
Inner race spacer
Lower shaft, centering, removable wheel
Lower bearing housing
Lower removable wheel, 16”,
Lower removable wheel, 16”, double
Lower shaft motor key
Grease tting - angled
ange, centering type
DescriptionItem No. DescriptionItem No.
centering type, w/o wheel
centering type

Related product manuals