EasyManua.ls Logo

BIRO 3334SS - Wiring Diagrams

BIRO 3334SS
52 pages
Print Icon
To Next Page IconTo Next Page
To Next Page IconTo Next Page
To Previous Page IconTo Previous Page
To Previous Page IconTo Previous Page
Loading...
35
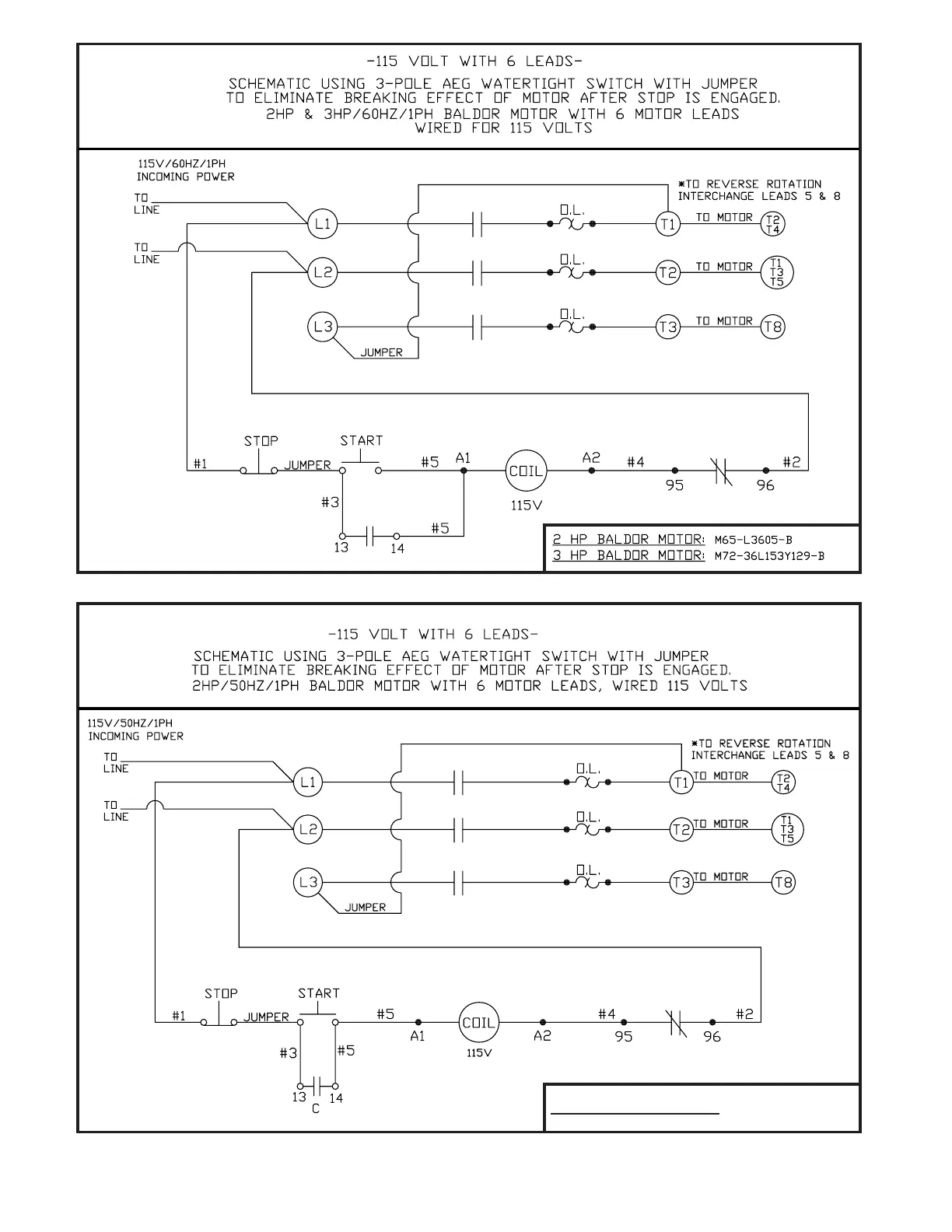
2HP BALDOR MOTOR: M65-L3605-B

Related product manuals