EasyManua.ls Logo

BIRO 3334SS - Page 41

BIRO 3334SS
52 pages
Print Icon
To Next Page IconTo Next Page
To Next Page IconTo Next Page
To Previous Page IconTo Previous Page
To Previous Page IconTo Previous Page
Loading...
38
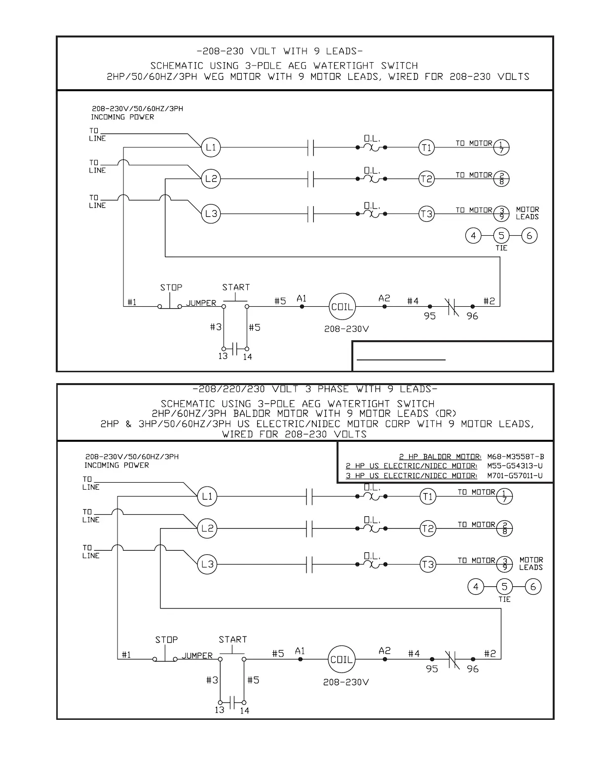
2HP WEG MOTOR: M68-218T3E145TW

Related product manuals