EasyManua.ls Logo

BIRO 3334SS - Page 42

BIRO 3334SS
52 pages
Print Icon
To Next Page IconTo Next Page
To Next Page IconTo Next Page
To Previous Page IconTo Previous Page
To Previous Page IconTo Previous Page
Loading...
39
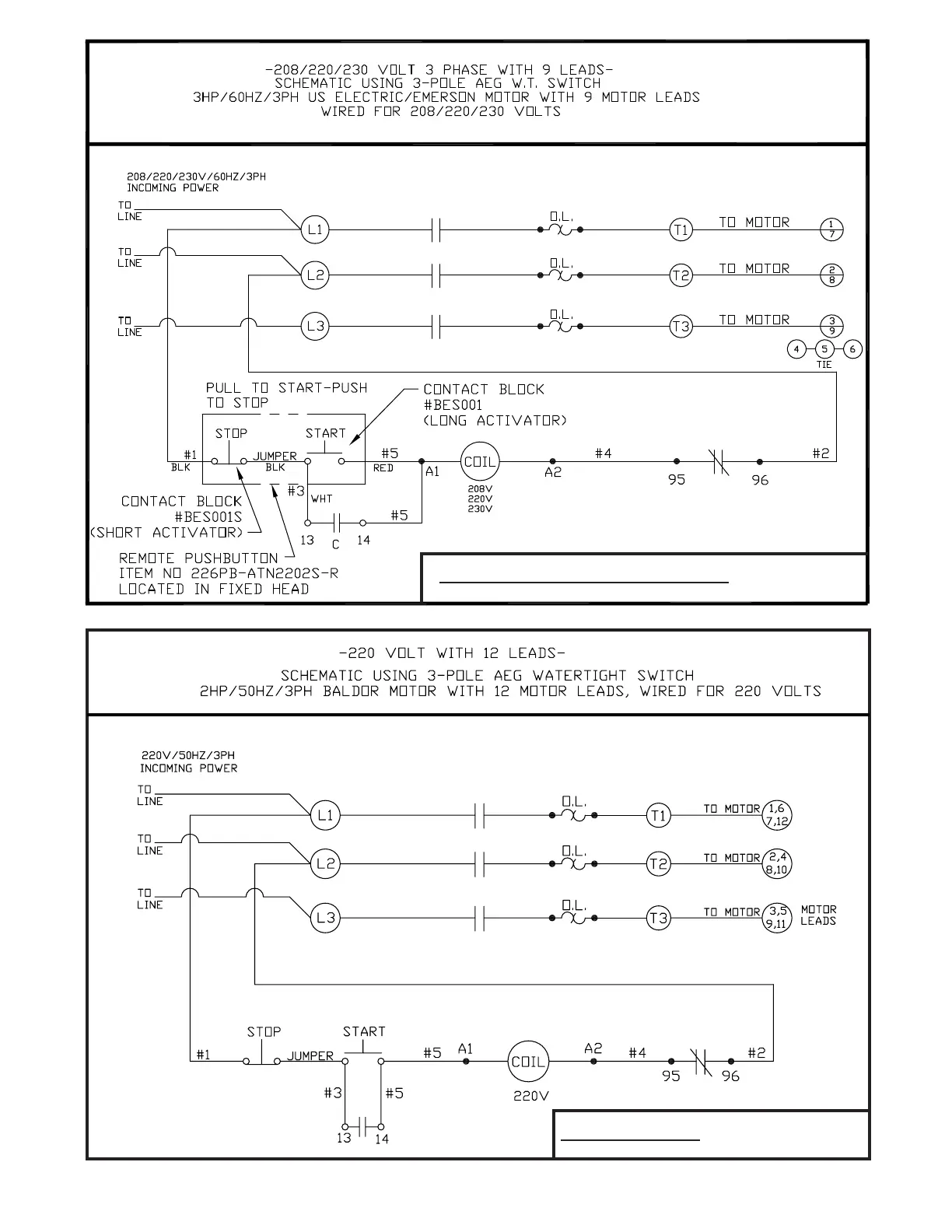
2HP WEG MOTOR: M68-M3558T-50-B
3HP US ELECTRIC/EMERSON MOTOR: M701-G57011-U

Related product manuals