EasyManua.ls Logo

Bitzer HS 85 Series - Page 10

Bitzer HS 85 Series
30 pages
Print Icon
To Next Page IconTo Next Page
To Next Page IconTo Next Page
To Previous Page IconTo Previous Page
To Previous Page IconTo Previous Page
Loading...
10 SB-110-2
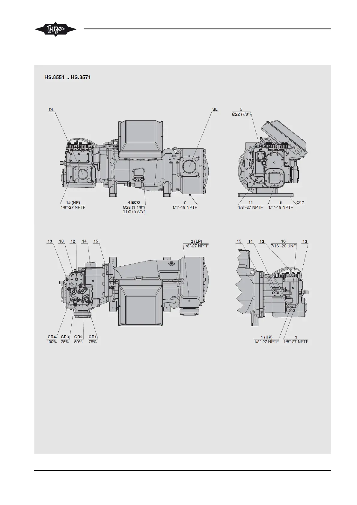
Connections
Đấu ni

Related product manuals