EasyManua.ls Logo

Bitzer OSNA8571-K - 2.10 Thermosiphon Oil Cooling; 2.10.1 Principle and Application

Bitzer OSNA8571-K
108 pages
Print Icon
To Next Page IconTo Next Page
To Next Page IconTo Next Page
To Previous Page IconTo Previous Page
To Previous Page IconTo Previous Page
Loading...
23SH-510-1
Thermosiphon-Ölkühlung
(Kältemittel-Kühlung)
Thermosiphon-Ölkühlung basiert auf
dem Prinzip der Schwerkraft-Zirkula-
tion von Kältemittel auf der Hoch-
druckseite. Diese Methode ist unab-
hängig von anderen Kühlmedien (wie
Wasser oder Luft). Deshalb ist sie uni-
versell einsetzbar, sofern genügend
Höhendifferenz zwischen Verflüssiger
und Ölkühler realisiert werden kann.
Zur Ölkühlung wird Kältemittel aus
dem Flüssigkeitssammler (oder einem
Primärsammler) abgezweigt und di-
rekt in den tiefer angeordneten Ölküh-
ler eingespeist. Im Gegenstrom zum
heißen Öl verdampft ein Teil des flüs-
sigen Kältemittels unter Wärmeauf-
nahme. Es strömt als Zweiphasen-
Thermosiphon oil cooling
(cooling by refrigerant)
Thermosiphon oil cooling is based on
the principle of gravity circulation of
refrigerant on the high-pressure side.
This method is independent of other
coolants such as water or air. There-
fore, it can be used universally, provid-
ed that a sufficient height difference
between condenser and oil cooler can
be ensured.
For oil cooling, refrigerant is drawn
from the liquid receiver (or a primary
receiver) and fed directly into the oil
cooler mounted in a lower location.
Whilst absorbing heat in the counter-
flow with the hot oil, part of the liquid
refrigerant is evaporated. In the form
of a two-phase mixture, it then flows
Refroidissement d'huile par thermo-
siphon (refroid. par fluide frigorigène)
Le refroidissement d'huile par thermosi-
phon repose sur le principe de la circula-
tion par gravité du fluide frigorigène sur le
côté de haute pression. Cette méthode
est indépendante d'autres fluides calopor-
teurs (tels que eau ou air). De ce fait, elle
est utilisable de façon universelle, sous
réserve qu'une différence de niveau suffi-
sante entre condenseur et refroidisseur
d'huile puisse être réalisée.
Pour réaliser le refroidissement d'huile,
du fluide frigorigène récupéré dans le
réservoir de liquide (ou d'un réservoir pri-
maire) alimente directement le refroidis-
seur d'huile placé plus bas. A contre-cou-
rant de l'huile chaude, une partie du flui-
de frigorigène liquide s'évapore sous l'ef-
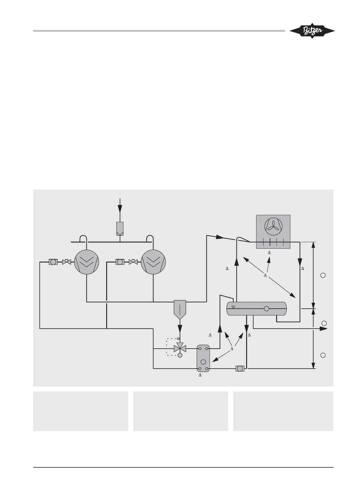
Abb. 11 Beispiel:
Thermosiphon-Ölkühlung
Kreislauf mit unterteilter Kältemit-
tel-Zirkulation
Fig. 11 Example:
Oil cooling by thermosiphon
Circuit with divided refrigerant
circulation
T C
P
c o n d
P
R L 2
P
l i q 2
P
l i q 1
P
R L 1
P
O C
P
P
H 2
H 1
2
1
3
4
4
Fig. 11 Exemple: Refroidissement d'huile par
thermosiphon
Circuit avec circulation du fluide frigori-
gène divisée
Horizontaler oder vertikaler Sammler
Flüssigkeitsleitung zu Verdampfer(n)
oder Hauptsammler
Ölkühler
H1, H2: Flüssigkeitssäule
Horizontal or vertical receiver
Liquid line to evaporator(s) or main
receiver
Oil cooler
H1, H2: Liquid column
Réservoir horizontal ou vertical
Conduite de liquide vers évaporateur(s) ou
vers réservoir principal
Refroidisseur d'huile
H1, H2: Colonne de liquide

Table of Contents

Related product manuals