EasyManua.ls Logo

Bitzer OSNA8571-K - Page 24

Bitzer OSNA8571-K
108 pages
Print Icon
To Next Page IconTo Next Page
To Next Page IconTo Next Page
To Previous Page IconTo Previous Page
To Previous Page IconTo Previous Page
Loading...
24 SH-510-1
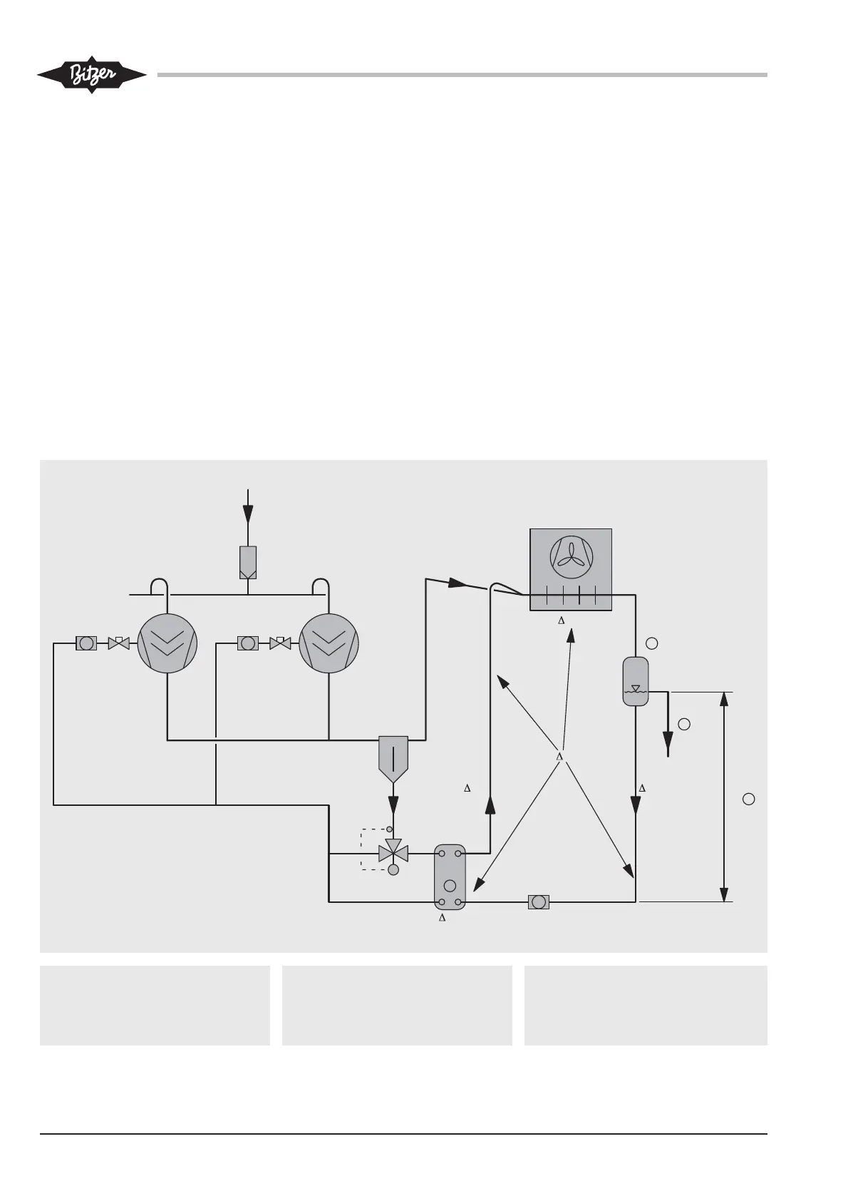
back to the condenser inlet, either
directly or via the receiver. (Hereby, in
versions with receiver, the liquid frac-
tion is separated.) During mixture with
the flow of discharge gas, the evapo-
rated portion is then liquefied again.
In order to ensure gravity circulation,
the liquid pipe to the oil cooler must
exhibit a precisely defined height dif-
ference. This permits a defined over-
pressure to be achieved (due to the
liquid column), which must be corre-
spondingly higher than the sum of
pressure losses in piping, oil cooler,
and condenser. If necessary, circula-
tion can be supported by fitting a
refrigerant pump or an injector.
A modulating oil bypass valve controls
the oil temperature. Alternatively, a
fet de l'apport de chaleur. Ce mélange
diphasique s'écoule soit directement, soit
en passant par le réservoir, vers l'entrée
condenseur (en exécution avec réservoir,
la partie liquide y est récupérée). La par-
tie évaporée est mélangée au flux des
gaz sous pression puis recondensée.
Pour garantir la circulation par gravité, la
conduite de liquide vers le refroidisseur
d'huile doit disposer d'une différence de
hauteur à déterminer précisément. Ceci
permet d'obtenir une surpression définie
(par la colonne de liquide) qui doit être
en conséquence, supérieure à la somme
des pertes de charge des tuyauteries, du
refroidisseur d'huile et du condenseur. Si
nécessaire, la circulation peut être soute-
nue par une pompe pour fluide frigori-
gène ou par un injecteur.
Gemisch entweder direkt oder über
den Sammler zum Verflüssigereintritt
zurück. (Bei Ausführung mit Sammler
wird dabei der Flüssigkeitsanteil ab-
geschieden.) Der verdampfte Anteil
wird dann beim Vermischen mit dem
Druckgasstrom erneut verflüssigt.
Um einen Schwerkraftumlauf zu ge-
währleisten, muss die Flüssigkeitslei-
tung zum Ölkühler eine genau zu
bestimmende Höhendifferenz aufwei-
sen. Damit lässt sich ein definierter
Überdruck erreichen (durch die Flüs-
sigkeitssäule), der entsprechend hö-
her sein muss als die Summe der
Druckverluste in Rohrleitungen, Öl-
kühler und Verflüssiger. Bei Bedarf
kann auch eine Kältemittelpumpe
oder ein Injektor zur Unterstützung
der Zirkulation eingesetzt werden.
Abb. 12 Beispiel:
Thermosiphon-Ölkühlung
Kreislauf mit einfacher Kältemittel-
Zirkulation (Primärsammler)
Fig. 12 Example:
Oil cooling by thermosiphon
Circuit with simple refrigerant cir-
culation (primary receiver)
T C
P
c o n d
P
l i q
P
R L
P
O C
P
H
2
1
3
4
Fig. 12 Exemple: Refroidissement d'huile par
thermosiphon
Circuit avec circulation du fluide frigori-
gène simple (réservoir primaire)
Primärsammler
Flüssigkeitsleitung zum Hauptsammler
Ölkühler
H: Flüssigkeitssäule
Primary receiver
Liquid line to main receiver
Oil cooler
H: Liquid column
Réservoir primaire
Conduite de liquide vers réservoir principal
Refroidisseur d'huile
H: Colonne de liquide

Table of Contents

Related product manuals