EasyManua.ls Logo

Blastrac EBE 350 E - Page 30

Blastrac EBE 350 E
114 pages
Print Icon
To Next Page IconTo Next Page
To Next Page IconTo Next Page
To Previous Page IconTo Previous Page
To Previous Page IconTo Previous Page
Loading...
Operating Instructions EBE 350 E
General
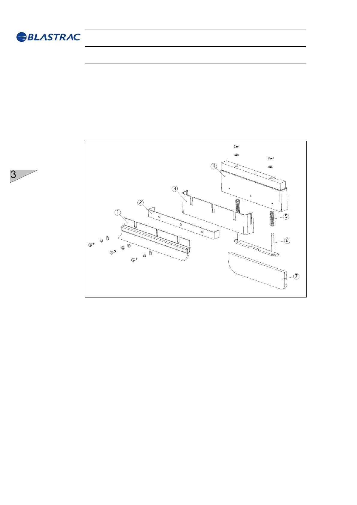
Side seal system:
The side skirts and brushes are fixed to each side seal box with a
plate and four screws. To replace them: unscrew the screws and
remove the side skirts and brush and replace them if necessary.
Fig. 3.10
1 Side brush
2 Side skirt fixing plate
3 Side skirt
4 Seal box
5 Side seal spring
6 Side seal spring plate
7 Side seal
Method of installing the side seals:
It is necessary to lift one side of the machine at a time to enable the
seals to be put in place at the bottom. This is achieved as follows:
1. Check that power to the machine is off.
2. Lift the front of the machine and slide the side seals into the
seal boxes at the bottom of the housing.
3. Lower the machine and check that both axles of the side seal
spring plates have come out at the top of the seal boxes, to be
sure that the side seals are positioned correctly.
14