EasyManua.ls Logo

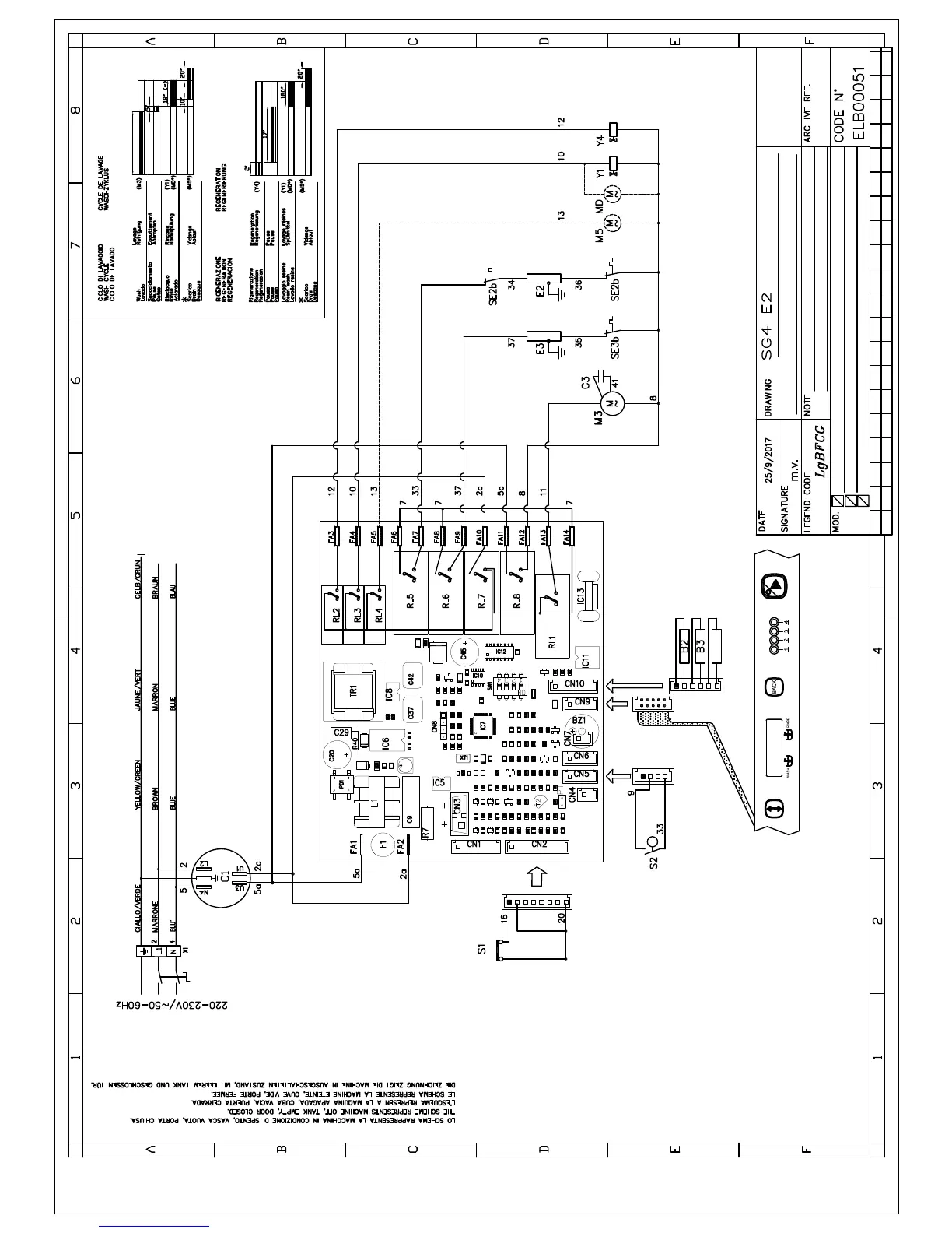
Blue Seal SG 4 E2 - Electrical Diagrams

Blue Seal SG 4 E2
52 pages
Print Icon
To Next Page IconTo Next Page
To Next Page IconTo Next Page
To Previous Page IconTo Previous Page
To Previous Page IconTo Previous Page
Loading...

Related product manuals