EasyManua.ls Logo

bolid S2000-2 - Wiring the S2000-2 for Turnstile Mode

bolid S2000-2
100 pages
Print Icon
To Next Page IconTo Next Page
To Next Page IconTo Next Page
To Previous Page IconTo Previous Page
To Previous Page IconTo Previous Page
Loading...
Orion ISS
www.bolid.com 54
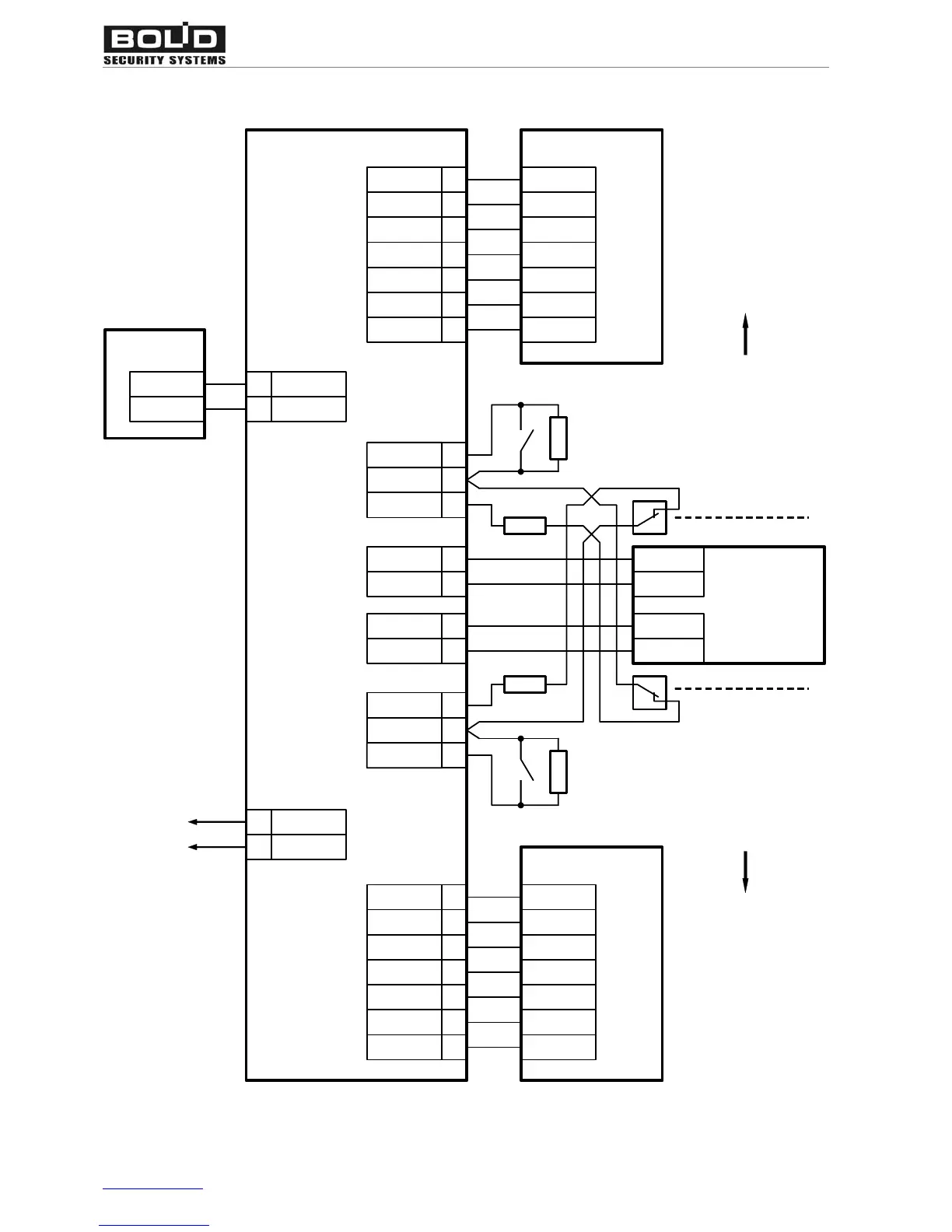
WIRING THE S2000-2 FOR TURNSTILE MODE
D1-1
LEDG1
GND1
S2000-2
LEDR1
+12V1
BEEP1
D1
LEDG
GND
Reader 1
LEDR
+12V
BEEP
0V
RIP-12
+12V
D0-1 D0
GND1
DOOR1
8.2 kOhm
0V
+12V
Passage Sensor 2
TURNSTILE
D1-2
LEDG2
GND2
LEDR2
+12V2
BEEP2
D1
LEDG
GND
Reader 2
LEDR
+12V
BEEP
D0-2 D0
B
A
RS-485
8
10
7
6
5
4
3
2
1
7
6
5
4
3
2
1
3
4
1
2
XT3.3
XT1.2
XT1.1
XT2.1
XT2.2
K1
K1
11
12
8.2 kOhm
EXIT1
ENTRANCE*
9
XT2.3
* ENTRANCE
and EXIT
buttons are used
when remote
manual turnstile
control is
required
Access zone
controlled by
Reader 2
Access zone
controlled by
Reader 1
K2
K2
11
12
XT3.1
GND2
DOOR2
8.2 kOhm
8
10
XT3.2
8.2 kOhm
EXIT2
EXIT*
9
Entrance
Entrance
Exit
Exit
Passage Sensor 1
Figure 6. S2000-2 Wiring for the Turnstile Operation Mode

Table of Contents