EasyManua.ls Logo

BOOM TRIKES V1 AUTOMATIC - Wiring Diagram, Relays and Fuses

BOOM TRIKES V1 AUTOMATIC
53 pages
Print Icon
To Next Page IconTo Next Page
To Next Page IconTo Next Page
To Previous Page IconTo Previous Page
To Previous Page IconTo Previous Page
Loading...
35
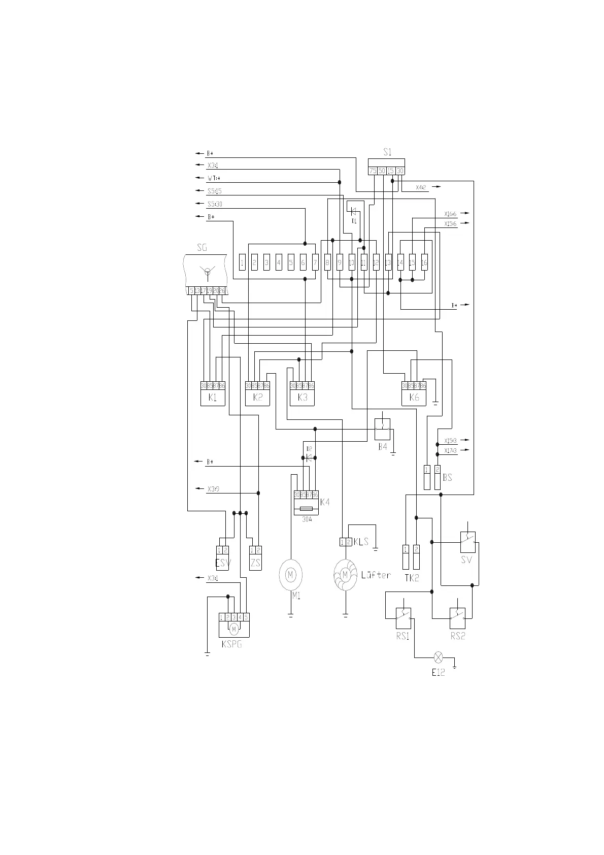
5.2
W
IRING
D
IAGRAM
R
ELAYS AND
F
USES

Related product manuals