EasyManua.ls Logo

Bosch Integra 500 - 11 Integra 500 Functional Scheme

Bosch Integra 500
64 pages
Print Icon
To Next Page IconTo Next Page
To Next Page IconTo Next Page
To Previous Page IconTo Previous Page
To Previous Page IconTo Previous Page
Loading...
6 720 680 226
50
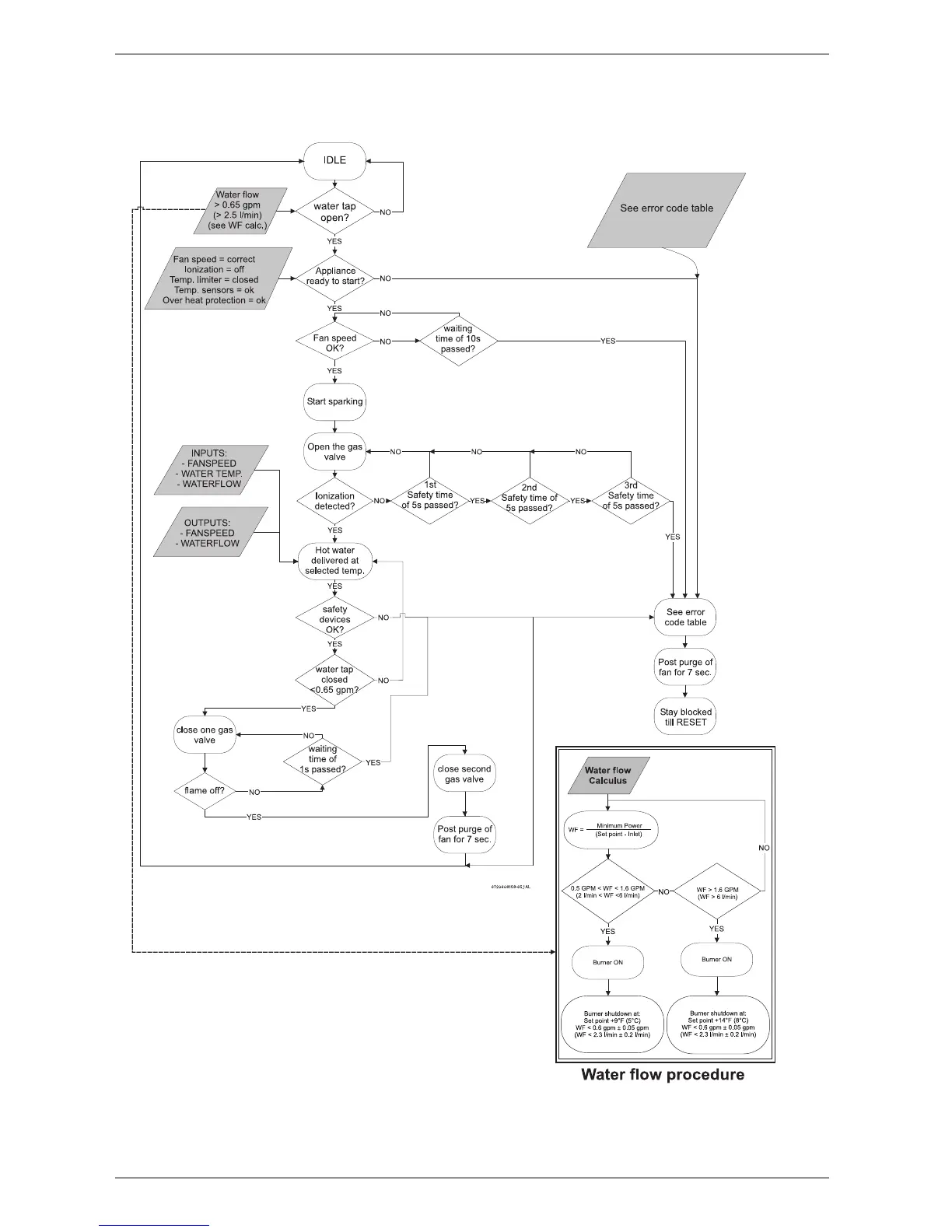
Integra 500 Functional scheme
11 Integra 500 Functional scheme
Fig. 69 Functional scheme

Related product manuals