EasyManua.ls Logo

Bosch LM024 - Page 48

Bosch LM024
60 pages
Print Icon
To Next Page IconTo Next Page
To Next Page IconTo Next Page
To Previous Page IconTo Previous Page
To Previous Page IconTo Previous Page
Loading...
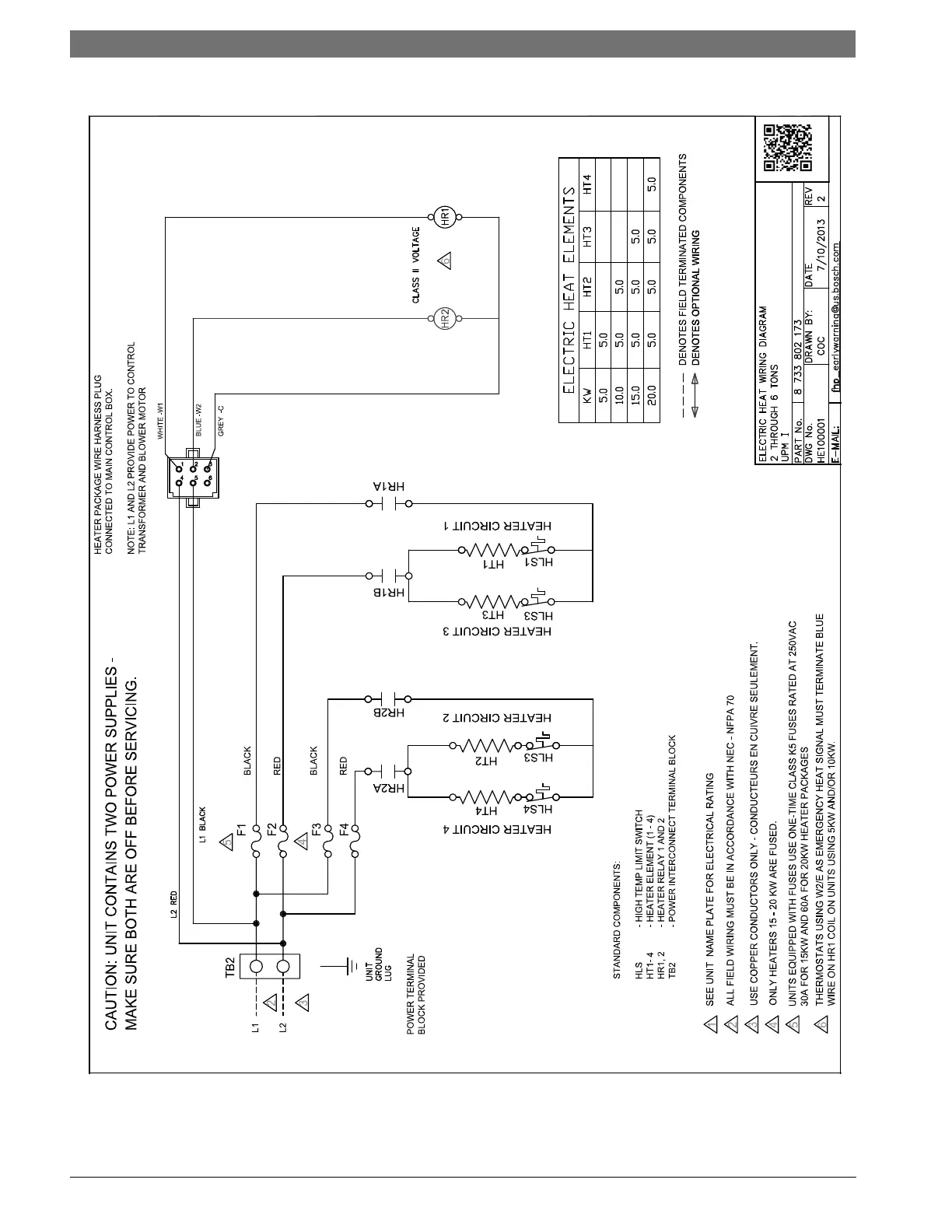
48 | Wiring Diagrams LM Series Heat Pump
LM Series Heat Pump8 733 905 315 (2013/9) Subject to change without prior notice
Figure # 32

Other manuals for Bosch LM024

Related product manuals