EasyManua.ls Logo

Bosch LM024 - Page 49

Bosch LM024
60 pages
Print Icon
To Next Page IconTo Next Page
To Next Page IconTo Next Page
To Previous Page IconTo Previous Page
To Previous Page IconTo Previous Page
Loading...
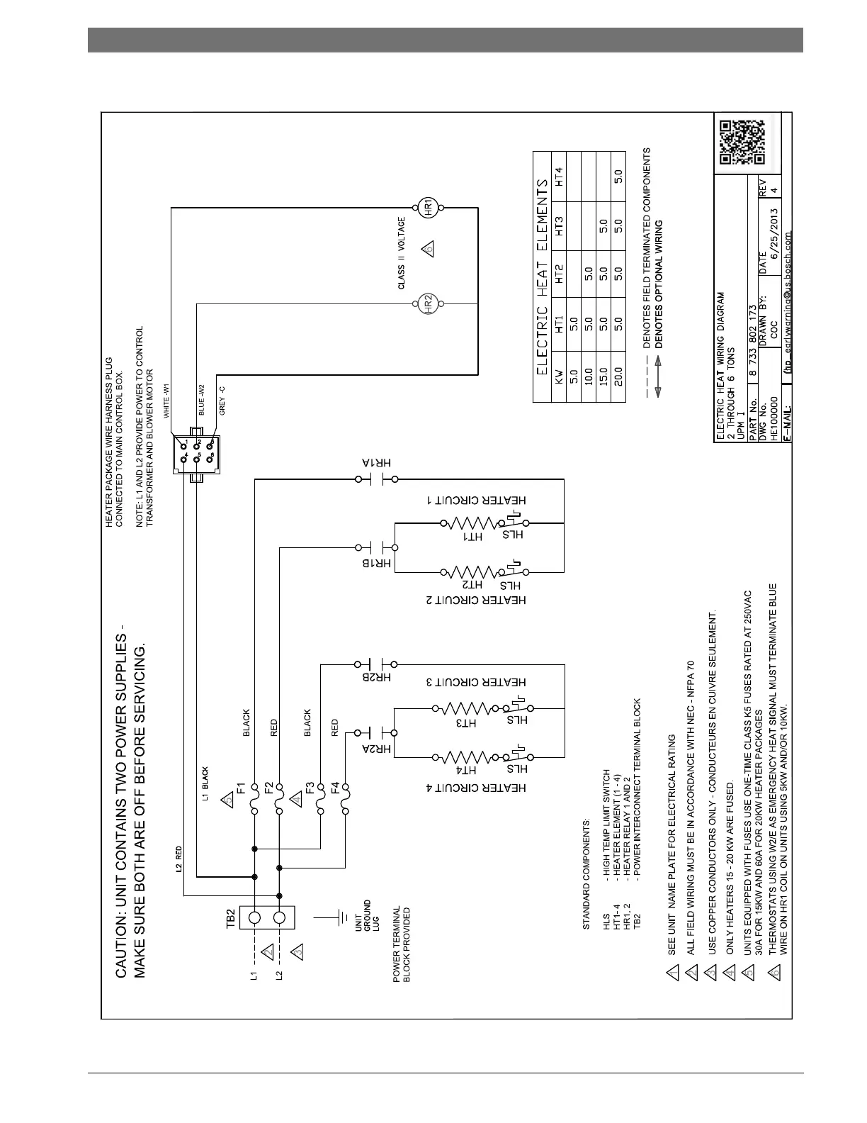
Wiring Diagrams | 49LM Series Heat Pump
8 733 905 315 (2013/9)Revised 09-13
Figure # 33

Other manuals for Bosch LM024

Related product manuals