EasyManua.ls Logo

BÖWE P 300 - Crossline

Default Icon
50 pages
Print Icon
To Next Page IconTo Next Page
To Next Page IconTo Next Page
To Previous Page IconTo Previous Page
To Previous Page IconTo Previous Page
Loading...
9
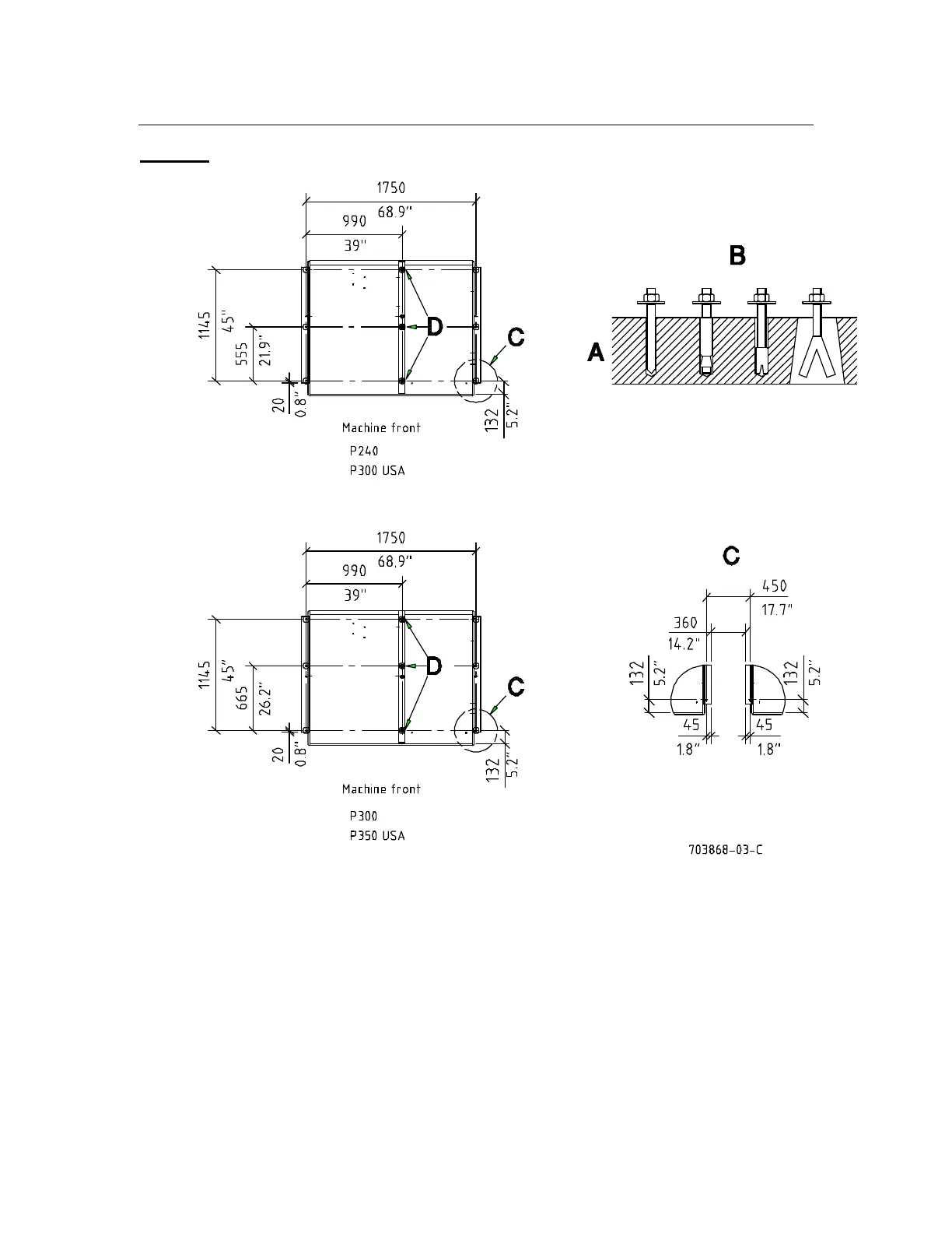
4. Foundation
Crossline
A Reinforced concrete: For armoured floors directly on bearing grounds min. 100 mm (3.9 inch)
deep. At rooms with basement an static calculations engineer must be asked.
B Examples for machine fixing
C Distance from machine to next machine
D Use foundation anchors M12 x 300

Related product manuals