EasyManua.ls Logo

Bowflex TreadClimber TC6000 - Page 24

Bowflex TreadClimber TC6000
76 pages
Print Icon
To Next Page IconTo Next Page
To Next Page IconTo Next Page
To Previous Page IconTo Previous Page
To Previous Page IconTo Previous Page
Loading...
20
ASSEMBLY GUIDE
ASSEMBLY PROCESS
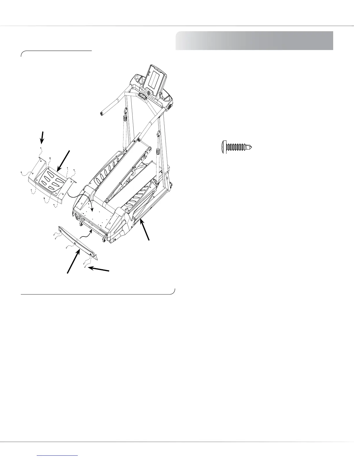
Step 6: Installing Rear Base Covers
Locate the following for this step:
Parts:
• Assembly from Step 5
• Rear Base Plastic Cover (Qty. 1)
• Rear Step Cover (Qty. 1)
Hardware:
• #8 Self Tapping Phillips Head Screw (Qty. 13)
Tools:
• Phillips Screw Driver
6-1 Attach the Rear Base Plastic Cover to the rear of
the base assembly using 5 of the #8 Self Tapping
Phillips Head Screws.
6-2 Attach the Rear Step Cover to the base assembly
using 8 of the #8 Self Tapping Phillips Head
Screws.
Figure 6: Installing Rear Base Cover
& Rear Step Cover
Rear Step Cover
Rear Base Plastic Cover
Phillips Head Screw
Phillips Head Screw
Base Assembly

Table of Contents

Related product manuals