EasyManua.ls Logo

Bradco HP400 - Planer Assemblies

Default Icon
65 pages
Print Icon
To Next Page IconTo Next Page
To Next Page IconTo Next Page
To Previous Page IconTo Previous Page
To Previous Page IconTo Previous Page
Loading...
9350 7-27-07-6
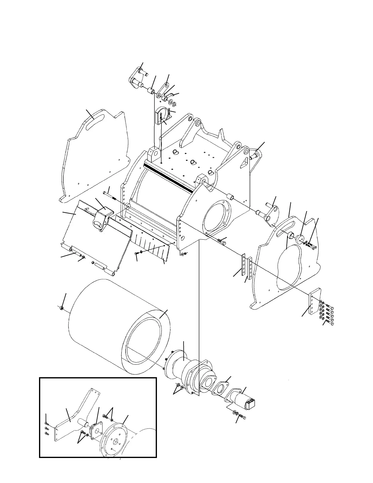
PLANER ASSEMBLY
16”, 18”, 24”, 30” & 40” COLD PLANER ASSEMBLIES
DIAGRAM 1 OF 3
1
2
3
4
5
6
7
8
9
10
11
12
13
14
15
16
17
18
19
20
21
22
23
24
25
26
27
28
29
30
18
31
32
DRUM IDLER ASSEMBLY
40" PLANER ONLY
33
34
35
36
37
38
32
75566

Related product manuals