EasyManua.ls Logo

Brasch GSE Generation 2 - Page 22

Brasch GSE Generation 2
50 pages
Print Icon
To Next Page IconTo Next Page
To Next Page IconTo Next Page
To Previous Page IconTo Previous Page
To Previous Page IconTo Previous Page
Loading...
IOM01
Rev 1.0 – December 22, 2020 22
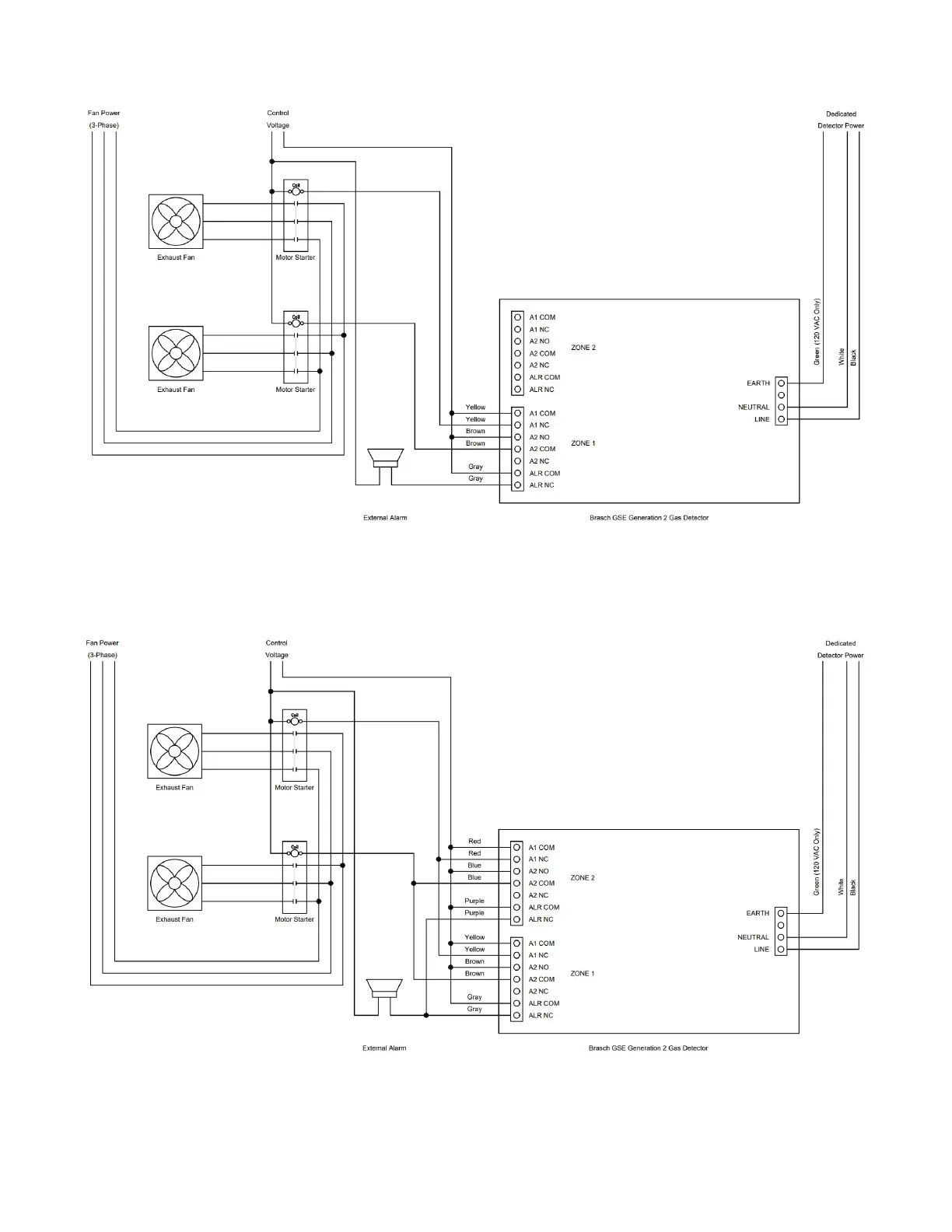
Figure 5: Wiring - Two Fan Ventilation System with Two Zones
Figure 4: Wiring - Two Fan Ventilation System with One Zone

Table of Contents

Other manuals for Brasch GSE Generation 2