EasyManua.ls Logo

Brilix XHPFDPLUS60 - Models XHPFDPLUS60 & XHPFDPLUS100

Brilix XHPFDPLUS60
23 pages
Print Icon
To Next Page IconTo Next Page
To Next Page IconTo Next Page
To Previous Page IconTo Previous Page
To Previous Page IconTo Previous Page
Loading...
11
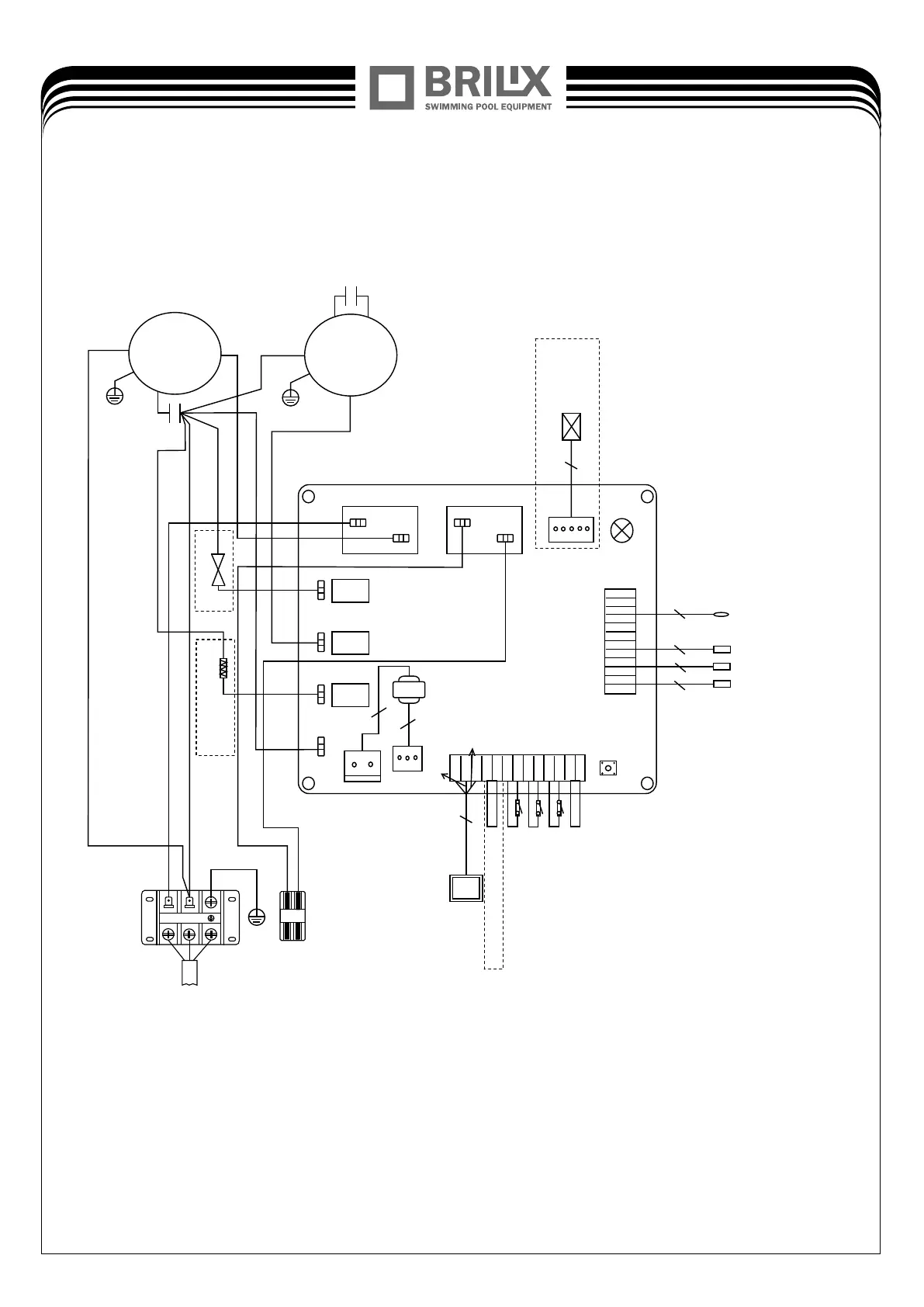
4.Wiring diagram
Model: XHPFDPLUS60 & XHPFDPLUS100
* The dotted line part are only used in some models
RUN/POW
SWITCH
2
2
2
2
3
Low Pressure switch
5
Electronic Expansion Valve
LED controller
High Pressure switch
Water out temperature
Water in temperature
Heating pipe temperature
Ambient temperature
Phase sequence protection
YLW/GRN
2
Transformer
2
220-240V ~ 50Hz
Fan Motor
RED
ORG
C1
BLK
COMPRESSOR
S BLK
C2
R WHT
WHT
4-WAY
BLU
BLU
BRN
BRN
BRN
BRN
BLU
BLK
BLU
C RED
RED
BLU
AC- N
RED
RED
Water flow switch
SW1
BRN
BLU
YLW
Remote controller
Base Electric Heater
YLW/GRN
YLW/GRN
OUT1
OUT2
OUT3
3-XPDLT0012S
PE
PE
PE
L
N
(Water Pump)
10

Related product manuals