EasyManua.ls Logo

Brilix XHPFDPLUS60 - Models XHPFDPLUS140 & XHPFDPLUS160

Brilix XHPFDPLUS60
23 pages
Print Icon
To Next Page IconTo Next Page
To Next Page IconTo Next Page
To Previous Page IconTo Previous Page
To Previous Page IconTo Previous Page
Loading...
12
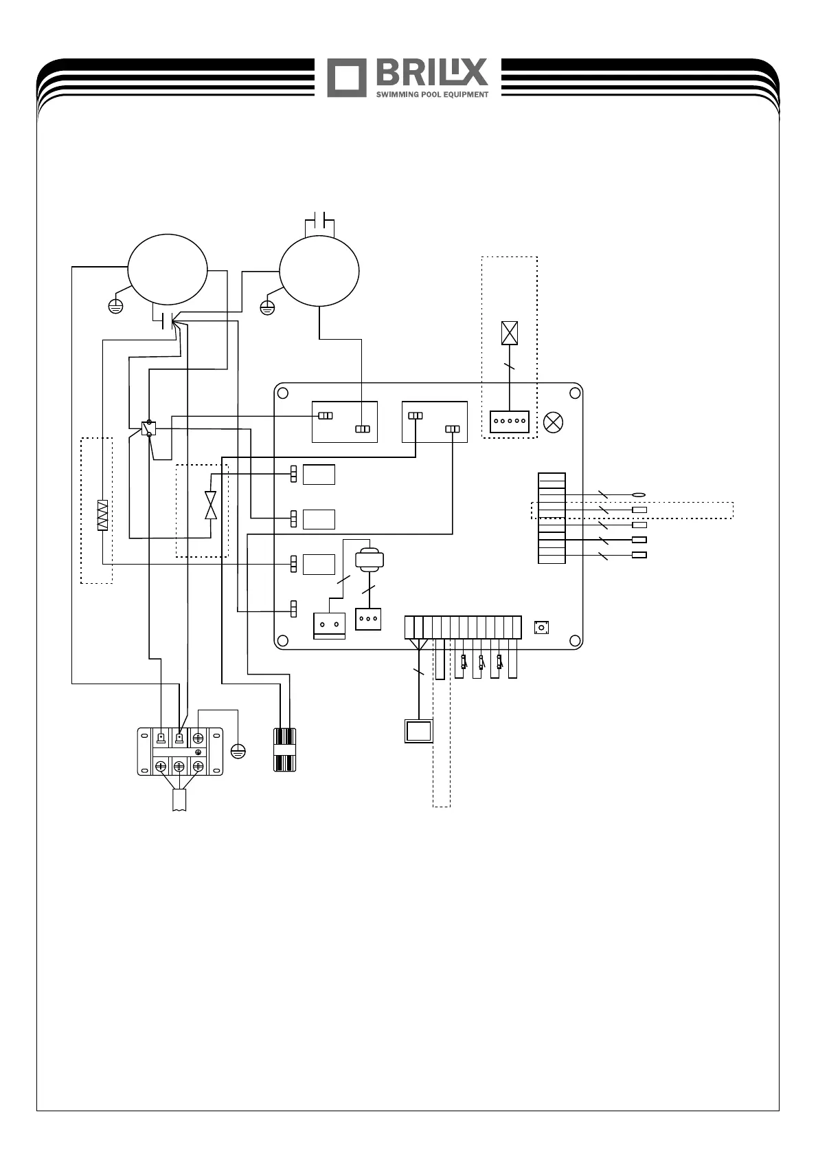
* The dotted line part are only used in some models
RUN/POW
2
2
2
2
2
3
Low Pressure switch
Water flow switch
5
Electronic Expansion Valve
Controller
High Pressure switch
Water out temperature
Water in temperature
Heating pipe temperature
Ambient temperature
Back temperature
Phase sequence protection
2
Transformer
2
FAN MOTOR
RED
ORG
C1
YLW/GRN
BLK
COMPRESSOR
YLW/GRN
S BLK
C2
R WHT
WHT
4-WAY
BLU
BRN
OUT1
OUT2
3
3
4
4
OUT3
OUT4
OUT5
AC-N
CN1
SW1
CN5
CN4
CN2
BRN
BLU
RED
BLU
C RED
BLU
RED
AC CONTACTOR
BRN
BLU
Remote controller
Base Electric Heater
YLW/GRN
220-240V ~ 50Hz
BLU
BRN
3-XPDLT0022S
PE
L
N
SWITCH
BRN
RED
(Water Pump)
Model: XHPFDPLUS160XHPFDPLUS140 &
Note: Electrical connection
The power supply for the heat pump must come, preferably, from an exclusive circuit with regulatory
protection components (30mA differential protection) and a magneto-thermal switch.
- The electrical installation must be carried out by a specialized professional (electrician) in accordance
with the standards and regulations in force in the country of installation.
- The heat pump circuit must be connected to a safety earth circuit at the terminal block.
11

Related product manuals