EasyManua.ls Logo

Brilix XHPFDPLUS60 - Model XHPFDPLUS 200

Brilix XHPFDPLUS60
23 pages
Print Icon
To Next Page IconTo Next Page
To Next Page IconTo Next Page
To Previous Page IconTo Previous Page
To Previous Page IconTo Previous Page
Loading...
12
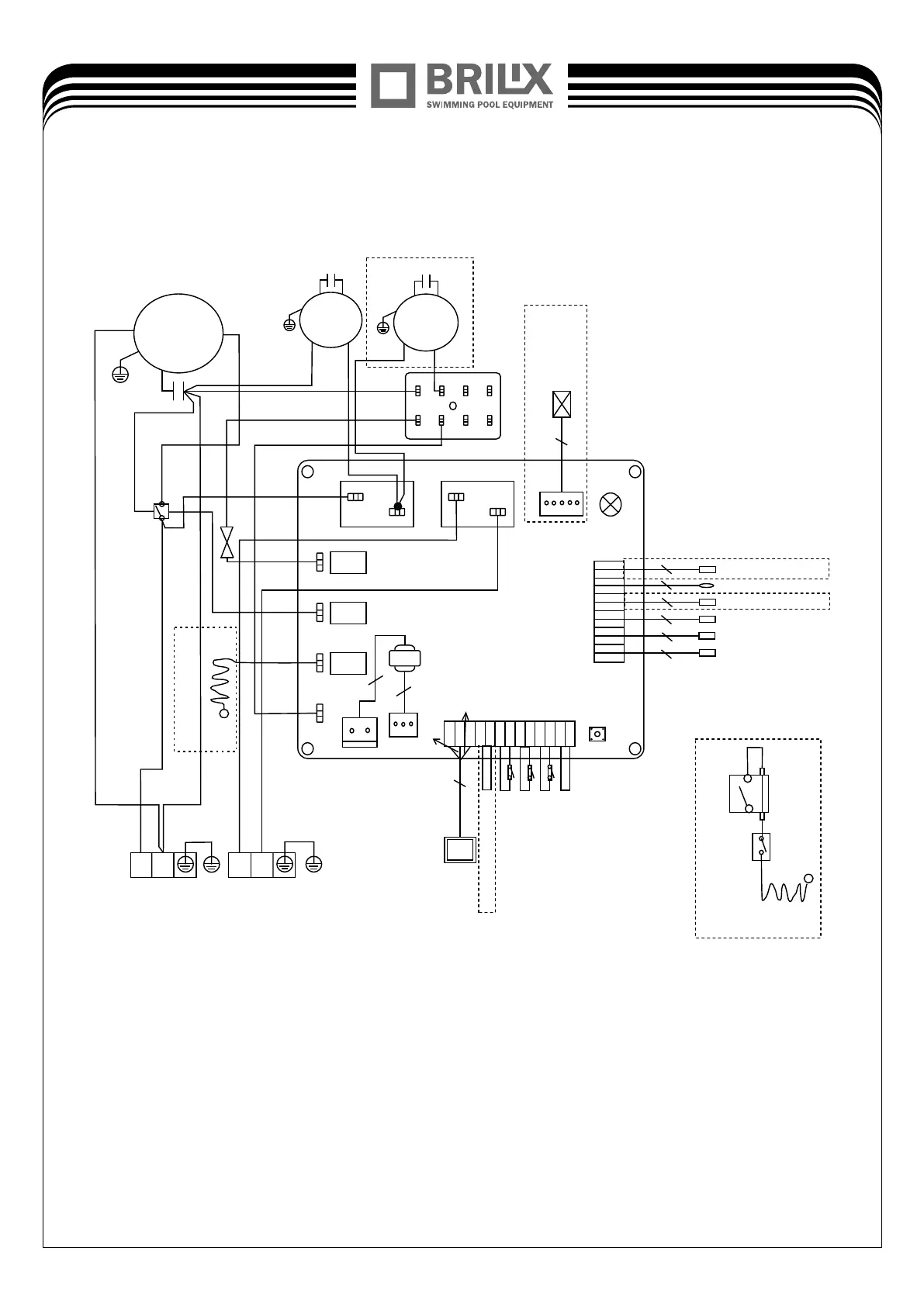
5.3 Schéma zapojení bazénového tepelného čerpadla
XHP 200, XHPFD200
* The dotted line part are only used in some models
RUN/POW
2
2
2
2
2
3
Low Pressure switch
5
Electronic Expansion Valve
LED controller
High Pressure switch
2
Water out temperature
Water in temperature
Heating pipe temperature
Ambient temperature
Back temperature
Phase sequence protection
L
N
2
Transformer
2
FAN MOTORR
RED
ORG
C1
FAN MOTORR
RED
ORG
C1
BLK
BLK
COMPRESSOR
YLW/GRN
S BLK
C2
R WHT
WHT
WHT
4-WAY
BLU
BRN
BRN
BLU
RED
BLU
C RED
BLU
RED
AC CONTACTOR
BRN
BLU
1
2
BLU
BLU
N
Water flow switch
SWITCH
220-240V ~ 50Hz
Cooling pipe temperature
Remote controller
BRN
BLU
YLW
SW1
AC CONTACTOR
Crankcase
heater
1
/
L1
21
2/T1
22
N
temperature
controller
YLW/GRN
YLW/GRN
YLW/GRN
YLW/GRN
OUT3
OUT1
OUT4
OUT2
3
3
4
4
OUT5
AC-N
CN1
CN2
CN4
Base Electric Heater
3-XPDLT0032
Model: XHPFDPLUS 200
12

Related product manuals