EasyManua.ls Logo

Brilix XHPFDPLUS60 - Model XHPFDPLUS 200 Tri

Brilix XHPFDPLUS60
23 pages
Print Icon
To Next Page IconTo Next Page
To Next Page IconTo Next Page
To Previous Page IconTo Previous Page
To Previous Page IconTo Previous Page
Loading...
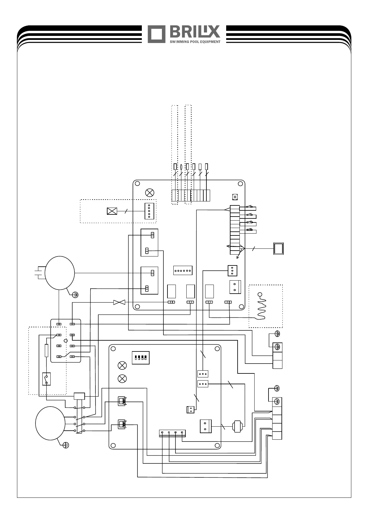
5.4 Schéma zapojení bazénového tepelného čerpadla
XHP 200 Tri ,XHPFD200 Tri
* The dotted line part are only used in some models
BLU
BLU
2
Transformer
5
Electronic Expansion Valve
Current
checking
L1
Current
checking
RUN
K1
1 3
42
ON
R
S
T
N
A
B
C
N
1
2
2
2
2
POW
RED
ORG
U/T1
RED
YLW/GRN
BLK
WHT
AC CONTACTOR
RED
BLK
WHT
RED
BLK
WHT
RED
RED
RED
BRN
L4
BLK
WHT
W/T3
V/T2
YLW/GRN
YLW/GRN
YLW/GRN
LED
OUT2
OUT1
OUT3
OUT4
OUT5
AC- N
CN1
CN2
4-WAY VALVE
3
Low voltage switch
Remote controller
High voltage switch
Phase sequence protection
CN3
SW1
BRN
BLU
YLW
12V
ENT
GND
GND
GND
GND
GND
GND
KYIN
FS
LP
HP
PP
2
2
2
2
2
2
Water out temperature
Water inlet coil temperature sensor
H coil temperature eating
Ambient emperature t
back temperature
CN4
GND
GND
GND
GND
GND
GND
T6
T5
T4
T3
T2
T1
COMPRESSOR
Programming
PC Board
FAN CAPACITOR
3
4
3
4
FAN MOTOR
Crankcase heater
Crankcase
heater
BRN
BRN
BRN
BRN
temperature
controller
380-415V 3N 50Hz
~
Flow switch failure
cooling pipetemperature sensor
N
SWITCH
BLU
3-XPDLT0052
13
Model: XHPFDPLUS 200 Tri
13

Related product manuals