EasyManua.ls Logo

Broadcast Electronics 3000 Series - Page 109

Default Icon
145 pages
Print Icon
To Next Page IconTo Next Page
To Next Page IconTo Next Page
To Previous Page IconTo Previous Page
To Previous Page IconTo Previous Page
Loading...
\50K
I MEG.
~.1
~~2~
cr
9
.oo47
.:foi(
c.
1
3I
J!+
+2'1V
R26
I.SK
LEPT
PLAY
MTR
14
..---1f'"'--yRv:>~4-+--jN-I---t--i
IOO
QS
-4:--
4.,
szo
hcrtf-ll~~
J:,,___..__c~·~~·~+'-i
____
•_*_-r---"n""";:,.·-7---r-.-,-.-1-"+c~~~
~~
~
+rV
cz~
-------4,-cy+
~--~'~'7
LEFT
RIZ
~f~
~~
c
3
:2?K
33DK
·
2.7K.
Q3
ZN58l7
+OJ
r~rC:~----1t-"
-~~"
4•7
R">
330K
R37
"OK
R:7
--~~·O;:_:.:<:___c~'l37f~C,------1vj~
)0
Rl9
r.oo<=l7
R
9
e
R"fO
r
6
-=-
SHL-D
27DK
...__
12.01(
1-------~R-;,4-;,2;;._
_________
_,
~
C2.3
2.7K
~
IZ.OK
sHLD
(4'!)-----<
-=
r-
;[:_cr2-
R2o
pt7-
I_~~~
Rl~HT-"'!>-cR0Ii'
3
r-i
c.,;
14.7
27K
2~;f
~52.~
.0047
=
1
1/&I
Cl7
cs
pf~
~
)
f"'-<>---~0
,0047
1.0
11
CZS'+
!<.I~HT+@
C/8
ii-~3>
~.;
BZo
re-t s
l2.•gr--t--
L y
4.7
v
J.-1-li=EQ,
.___54
RZ
.6o~7
"SoK
Rll
~§~
RIS'
+24'1/)~·~0:__
__
r.--~::·-t'2.4"
+
C.Co2.
I
\00/'?.5
&NO
LUG
)>JY>=·"-~--._-,
=1-
G'-'D
'"
RUN
M
R52
RG2
47K
10
START
coNTROL
RG'
47K
"53
1<17
4.7K
RIG
4.7K
1"50
1.8K.
1/ZW
9
R4B
330K
RIG.t-IT
PLAY
MTR
R41
4.7K
+
C2.9
J."'
R29
,--"A"'c----.--
+24"
7.5K
tv<
Q\
1-------\h.H
. zf..lsel""
•lrce1
~
CZB
R3o
~~
~7-+----10RUT
R.0:,9
CR2
27
J]f.[)
Z~'-157
"'"'
...,.,
\ZOK
ADJ
f---'i..1R~Bf-~N-)>
FAST
FWD
AUDIO
MUTE"
CR7
R31
27
~~o_._K--)C3~
~
t
CR'l
4
_P,'-t-------~:C-3A
C'
>--'-------1-!~
~~S817
RSS
2.70K
,1,
~
""
v~
£47
120K
100
CZI
+
IDO
IB
LEFT
OUTPUr
1<70
R77
IK
C.RI4
C39
R.O
IOO!o(
C.R\3
+2"'1V
L_
______________________
-----------···-------------
8
REVISIONS
"'"
DESCRIPTION
"'"'
APPFIOVEO
A
ADDE:D
RIOO,
CGI
1
CRJI
~J;;,/7$"
B
~ER
ECN
"'*'-497
5-1~
""'
c
PER
EC.N-#
543
7(u.h.r
;Eli
D
Pr=:R
EC..N.
*1071
l'.l.i""~s
~
E
p;;:>;a
S. C..N
o!t-Ge4
1-;-..u,,
.#}?
"
f'€R
E"CIJ
#-738
7>);~/?b
-#
G
PER
ECN
'#:-8<:.6.
"·s
,.
:IIi-
"
PER.
E
C.N
#1241
1-I'S·l8
"'"
J
PER
EC.N
~
15(o0
1<5-'19
"'"
K
PEF(
E.CN #
I'!IS
S.-U-'1?
GH
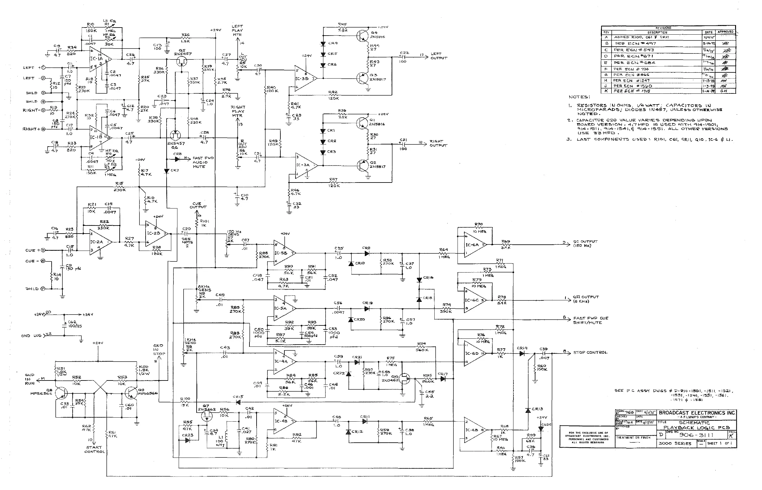
NOTES:
\,
RE'515TOR.S
itJ
OHMS,
I/4WA"T"T"
j
CAPACITOR~
liJ
MICROFARAD~;
DIODES
\1\1457,
UIVL'Eso::,
OTHERWISE
NOTED.
'2.,
CAPACITOR
C'ZO
VALUo;;::
VARIE"5
DEPEND
IN<::-
UPOI-.l
BOARD
\/E~:::.ION.
o4.f
tv\I'=D
\S
USED
WI\H
~14-1'50\1
~14-\'511,
914-1'54\,~
914-ISS\,
ALL
OTHE..l?
VER'S.\0~5
LJSE
"SO
NFD
3,
LAS.T
C.Ot-'\'POI\lEI'J---r-5
us.Et:>
·-
RIO\,
CG<"-,
C::RII~
<:i(\0,
!C.·'- $
Ll.
Ql
OUTPUT
(15"0
H~)
STOP
CONTROL
o:;.EE
PC
AS<:."(
PWG.S
=f/:-'P-0J4--ISOI,
-IS!!,
-152.1,
~JS3f.
-15<41,
-1'55!,
-1561,
-1<;;1\
tf
-lSSI
~A"'"'111Sr3
DATE
't/!17S"
BROADCAST
ELECTRONICS
INC.
CHECKED
DATE
-A
FILMWAYS COMPANY-
'
ENOR
/111A
TITLE
SC:HE.MATIC
AI'I'ROVEC
"
FOR
THE
E~CL\ISIVE
USE OF
BROADCAST ELECTRONICS.
INC.
TREATMENT
OR
FINISH
PLAYBAC.K
LO
I
C.
wo
a
PERSONNEL
AND
CUSTOMERS
ALL
Rl!lHTS
RESERVED

Table of Contents