EasyManua.ls Logo

Broadcast Electronics 3000 Series - Page 113

Default Icon
145 pages
Print Icon
To Next Page IconTo Next Page
To Next Page IconTo Next Page
To Previous Page IconTo Previous Page
To Previous Page IconTo Previous Page
Loading...
LEFT
'RECORD
11\)PUT'&
+
Cl
/00
R/8
lbK
I
""
/OK
F'ROIYT
PANEL
+
_,
TZ~~--t---~---------1
I I
"'""'-~X
18
XK)r--
:J;If(
5
101
'REC.ORD
1
RZZ
+
CB
180K
4.7
DD
~
r,-;.;;:;:r•
L.l~'E
Re
Rll
~f-->»,1-I..E-,VE'L
1
1
5 -
li2K.
4 7
I6K
2
' l
~113
Cl2
S7("~M\C.
3
Rl3
R.l~<>
I
~f+'-''-t-1[;_/
<If
IC._i~'t.~--:~;--t-~R~/7;.
__
-4
I 1
I.O
8.2K
"'170
::Z?K L
__
..J
+
c?-
IOO
52
RZI
3.9K
+
C9
4.7
Q/1
ZN~OS.3
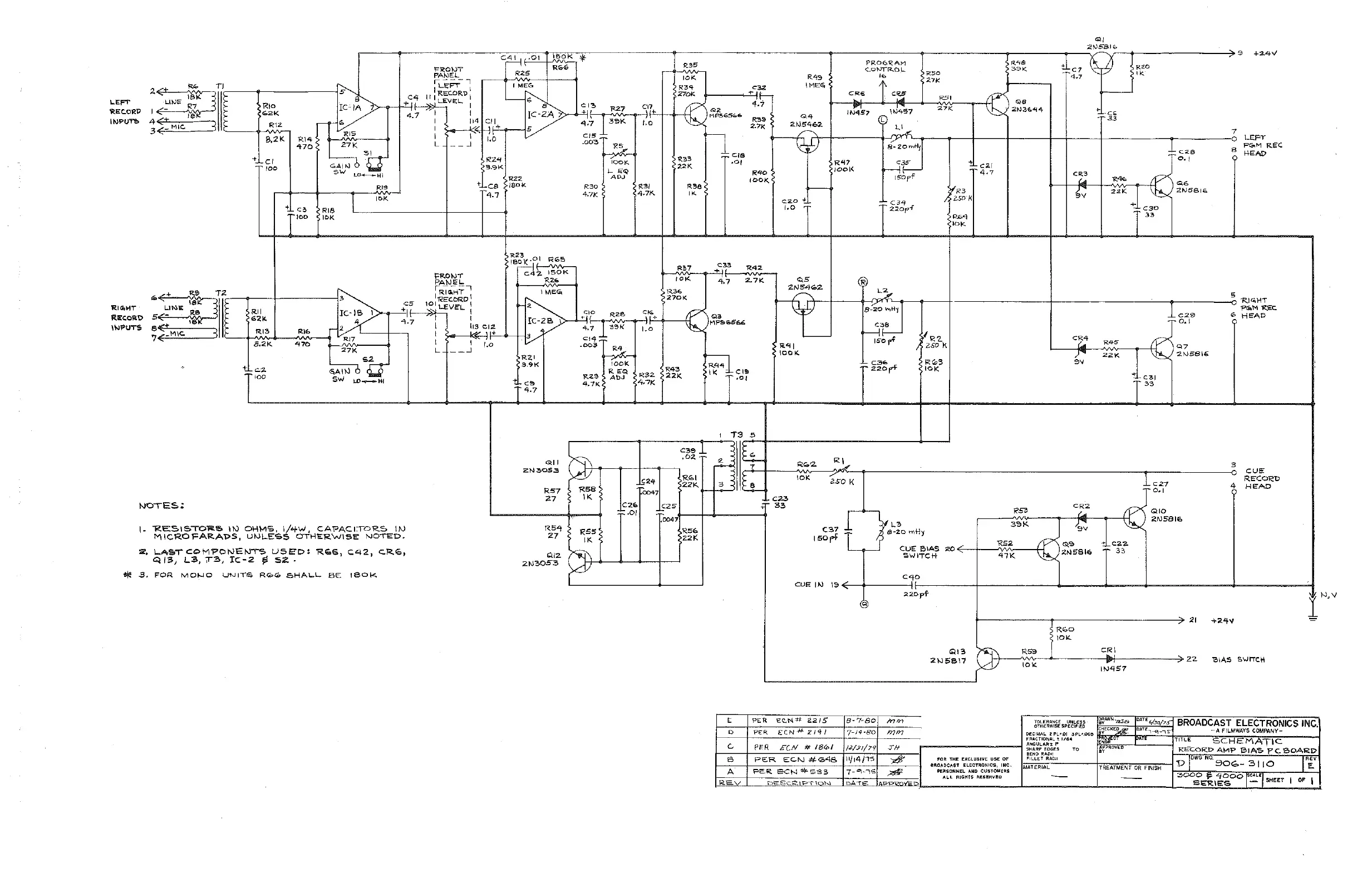
NOTES;
l~
"'RE:S\STO'F!S
\10
0\4\JIS,
1/i.~-W,
CA'PACITORS
!IV
MICROFARA"PS,
UtvLES5
OTHERWISE
NOIED.
2.
1-.A-S.ICOM'PONEI'>JTS
U5E"D:
'R.G.6
1
C42
1
C.R..G,
Q
13)
L3,
73,
IC-2
~
52.·
tjE
.3,
FOR
MOt--.10
UNITS
R<DID
OHAL.L..
BE
t80K
R57
27
R54
27
'""
2.N305"3
R3o
4.7K
4.7
c::!4::
.oo3
~
>&
!1.58
IK
R55
IK
~
>d.!
..
;,._
lOOK
R
<Q
AbJ
R31
4.7/<.,
R32
4.7K
C24
0047
C26
.0/
101<
R36
2701(
R43
22K
C3~
::h
,02.
~
""''
22K
C25
,0047
R56
zzK
C33
+
'1-.7
R4Z
2.7K
CG
33
+
C30
33
CZB
o.,
""'
2"-1581"'-
7
LEFT
B
PG.M
REC
""""
0.5
R
ZNPS4·G~z--+----1~YL~~YL4C--1----+----------------+----------------~--~----------os
RI~Hl
..
~,
lOOK
r
"PGIM
REC.
8-:<!0
.,..,++1
c29
G
HEAP
L
.
c,~e
0.1
~
~R2
~
- ~
I zso K
221<.
~3ssl6
·"·
~
F:"
I
T3
.o
r'L
3
E
D
G
B
A
RE.
ltG
1'--;-
R<O'Z
It
\OK
I~
e
1<...:;;....
C23
33
"'-'
Z'so
K
:l:
C27
.,-o.,
G>JO
2.tV58
I
e.
3
CUE
RECORD
4
HEAD
C37
iSOpf
jt_L3
~
s-2.0
mH~
CUE
IM
/9
L-f'_j
CUE: J31AS :20
SWITCH
C4~0--------~-----------4------~----~------------~----------1
>zopf
l
N.v
Q\3
21-.l.$817
R<.o
\0"-
21
+2"+'1
~
R59
CR\
~~~\--~-J------~------~22
'BIAS
S'-JITC.\-1
(d-"
10"-
L__
________________________
~
PER
E<:.N#
2.215
e~?~Bo
"'"'
TOLERANCE
UNLESS
7.1'.S&
I DATE 6/.:J<J/7
BROADCAST ELECTRONICS
INC.
OTilERWISE SPECIFIED
IDATEl--<'1-•
S"
-A
FILMWAYS
COMPANY-
PER
ECN#
Z/'11
7
1~-80
mm
DECIMAL
2Pl•.OI
3PL•.OO~
FRACTIONAL t
1164
F
TITLE
SCHEMATiC
PER
ECN
#
1801
/2./J!/79
"'"
ANGULAR!
1•
RECORD
AMP
'BIAS
-PC.
'BOAR.D
SHARP
EDGES
;o
BEND
RADII
PE:R
EC.t-.J
#<048
ll/14}15
-;$
FOR
THE EXCLUSIVE USE
Of
FILLET
RADII
)
rWG
Nu_
jRt
-p
90<=-
3110
BRO~OCAST
ELECTRONICS,
INC.
MATERIAL
TREATMENT
OR
FINISH
PER
ECN
'*s'!33
7-9-)'5
;<'#
PERSONNEL AND CUSTOMERS
:3000
~
40oo
rc.o.~rl
ALL
RIG~TS
RESERVED
SERIES
SHEET
I
OF
I
DESC\2..
PTI
N
DAlE.
D

Table of Contents