EasyManua.ls Logo

Brother DCP-8150DN

Brother DCP-8150DN
373 pages
To Next Page IconTo Next Page
To Next Page IconTo Next Page
To Previous Page IconTo Previous Page
To Previous Page IconTo Previous Page
Loading...
3-82
Confidential
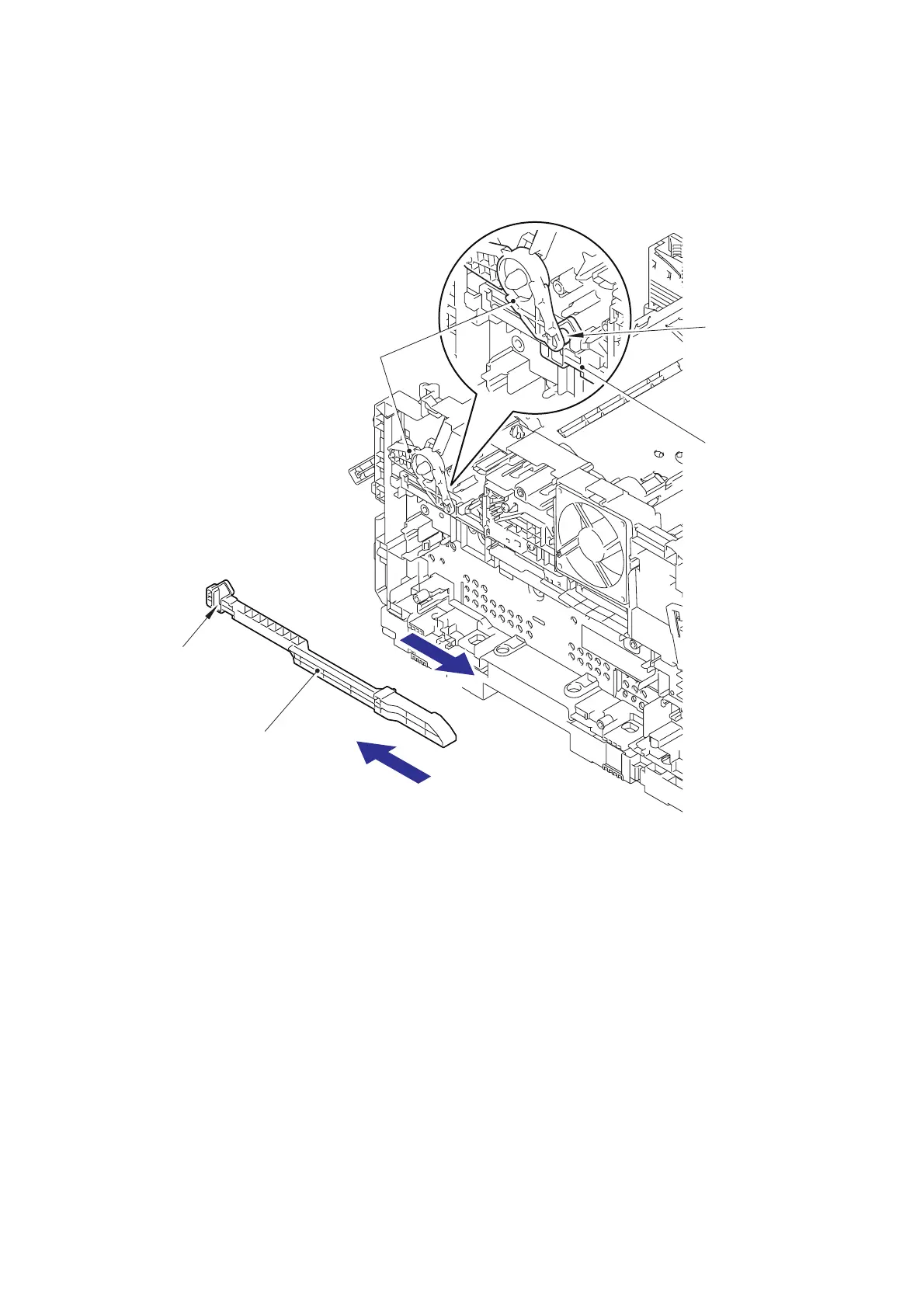
9.22 Main fan
(1) Slide the straight cam in the direction of arrow 1a to remove the boss on the nip release
link from the groove on the straight cam. Then slide the straight cam in the direction of
arrow 1b to remove it from the machine.
Fig. 3-111
Boss
Straight cam
Straight
cam
Groove
Nip release link
1b
1a

Table of Contents

Other manuals for Brother DCP-8150DN

Related product manuals