EasyManua.ls Logo

Brother HL-2135W - Page 169

Brother HL-2135W
181 pages
To Next Page IconTo Next Page
To Next Page IconTo Next Page
To Previous Page IconTo Previous Page
To Previous Page IconTo Previous Page
Loading...
6-2
Confidential
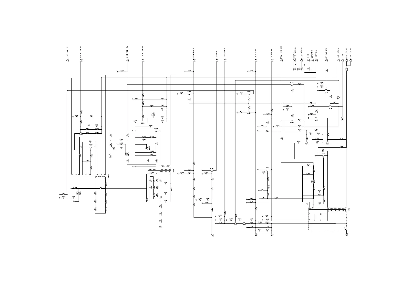
High Voltage Power Supply PCB Circuit Diagram (Panasonic)

Table of Contents

Other manuals for Brother HL-2135W

Related product manuals