EasyManua.ls Logo

Brother HL-820 - High-Voltage Power Supply, SR PCB

Brother HL-820
116 pages
To Next Page IconTo Next Page
To Next Page IconTo Next Page
To Previous Page IconTo Previous Page
To Previous Page IconTo Previous Page
Loading...
II-25
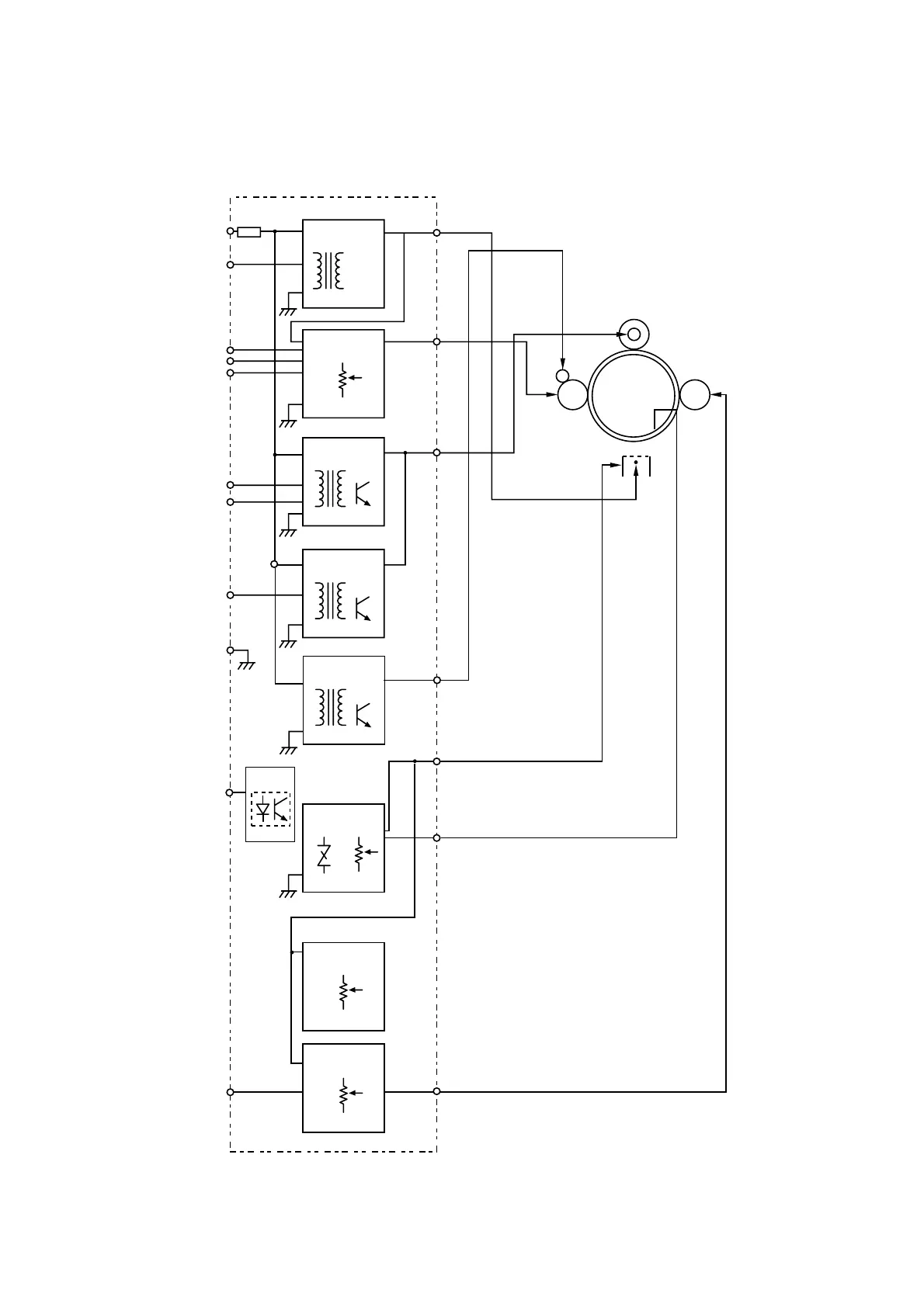
1.5.2 High-voltage Power Supply
This generates and outputs the voltages and currents for the charging, development and
transfer functions.
Transfer Roller
Supply
Roller
Photosensitive
Drum
Developing
Roller
Cleaner
Roller
Corona
Unit
Current
Regulator
Current
Regulator
Voltage
Regulator
Voltage
Regulator
B1
B81 Q81
B101 Q101
Voltage
Regulator
Z51 VR51
Voltage
Regulator
VR71
Voltage
Regulator
VR61
VR22
PC141
PAPER
SENSOR
24VI
GND
R1
Current
Regulator
B121 Q121
Fig. 2-28

Table of Contents

Related product manuals